Модульные приборы семейства DEHNrail M сочетают безопасность и простое техническое обслуживание в рамках приборов продуктовой линейки Red/Line. Низкий уровень напряжения защиты и комплексная защита от помех общего типа (синфазных или асимметричных помех) и помех дифференциального типа (противофазных помех) обеспечивают оптимальную защиту оконечных устройств промышленного исполнения. Конструкция приборов с входными и выходными клеммами для последовательного включения и защитные цепи, разработанные для высоких токов нагрузки, полностью соответствуют концепции всего семейства приборов DEHNrail M.
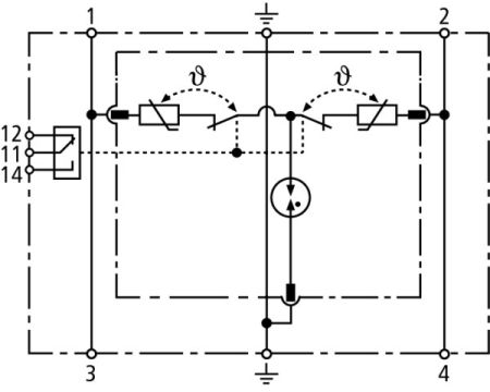
Компактное конструктивное исполнение приборов семейства DEHNrail M включает в себя Y-образное защитное соединение, позволяющее избежать ошибок при монтаже прибора, комбинированную систему контроля состояния прибора и размыкатель.
Механическое кодирование предотвращает любую неправильную установку защитного модуля в базовый элемент электромонтажником или пользователем.
• Двухполюсный ограничитель импульсных перенапряжений, состоящий из базового элемента и сменного защитного модуля
• Высокая пропускная способность благодаря комбинации мощного варистора на основе оксида цинка и искрового промежутка
• Энергетическая координация с другими приборами продуктовой линейки Red/Line
• Визуальная индикация рабочего (зеленый) / аварийного (красный) состояния с помощью флажкового индикатора
• Модульная компактная конструкция в соответствии с DIN 43880
• Простая замена сменных защитных модулей благодаря системе быстрой фиксации
• Приборы испытаны на вибро- и удароустойчивость согласно стандарту EN 60068-2
Система быстрой фиксации приборов семейства DEHNrail M является уникальной для УЗИП. Ни вибрационные нагрузки при транспортировке, ни электромагнитные силы при разрядах не могут повлиять на надёжность этого соединения.
В случае перегрузки защитных элементов, система быстрой фиксации и модульная конструкция прибора позволяют быстро заменить неисправный защитный модуль, даже при максимальных нагрузках.
Помимо стандартного визуального индикатора с зелёной и красной маркировками, устройства DEHNrail M … FM оснащены трёхполюсным контактом удаленной сигнализации состояния. С помощью беспотенциального переключающегося контакта возможна передача информации о состоянии УЗИП на удаленный диспетчерский пульт.
Характеристики:
• УЗИП согласно стандартам EN 61643-11 / ГОСТ Р 51992-2011 (IEC 61643-11): Тип 3 / Класс III
• Номинальное напряжение перем. тока (UN): 230 В (50 / 60 Гц)
• Максимальное длительное рабочее напряжение перем. тока (UC): 255 В (50 / 60 Гц)
• Максимальное длительное рабочее напряжение пост. тока (UC): 255 В
• Номинальный переменный ток нагрузки (IL): 25 A
• Номинальный разрядный ток (8/20 мкс) (In): 3 кА
• Полный разрядный ток (8/20 мкс) [L+N-PE] (Itotal): 5 кА
• Комбинированный импульс (UOC): 6 кВ
• Комбинированная волна [L+N-PE] (UOC total): 10 кВ
• Уровень напряжения защиты [L-N] / [L/N-PE] (UP): ≤ 1250 / ≤ 1500 В
• Время срабатывания [L-N] (tA): ≤ 25 нс
• Время срабатывания [L/N-PE] (tA): ≤ 100 нс
• Номинал входного предохранителя, макс.: 25 A gG или B 25 A
• Стойкость к токам короткого замыкания при макс. номинале входного предохранителя 25 A gG (ISCCR): 6 kArms
• Кратковременное перенапряжение [L-N] (UT) – характеристика: 335 В / 5 с – устойчивость
• Кратковременное перенапряжение [L/N-PE] (UT) –характеристика: 440 В / 120 мин.:= – безопасный выход их строя
• Кратковременное перенапряжение [L+N-PE] (UT) – характеристика: 335 В / 120 мин. – устойчивость
• Кратковременное перенапряжение [L-N] (UT) – характеристика: 440 В / 5 с – устойчивость
• Кратковременное перенапряжение [L/N-PE] (UT) – характеристика: 1200 В + UREF / 200 мс – безопасный выход из строя
• Диапазон рабочих температур (TU): -40 °C ... +80 °C
• Индикатор работоспособности / неисправности: зеленый / красный
• Количество портов: 1
• Сечение соединительных проводов (мин.): 0,5 мм2 одножильный жесткий / гибкий
• Сечение соединительных проводов (макс.): 4 мм2 многожильный жесткий / 2,5 мм2 гибкий
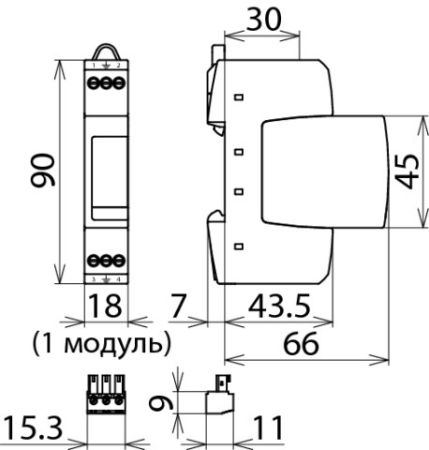
• Монтаж на: DIN-рейку шириной 35 мм согласно стандарту EN 60715
• Материал корпуса: термопласт, цвет красный, UL 94 V-0
• Установка: внутри помещения
• Степень защиты: IP 20
• Монтажные размеры: 1 модуль, DIN 43880
• Разрешения, сертификаты: KEMA, VDE, UL, CSA, ЕАС
• Контакт удаленной сигнализации (FM): переключающийся контакт
• Питание контакта удаленной сигнализации, перем.ток: 250 В / 0,5 А
• Питание контакта удаленной сигнализации, пост.ток: 250 В / 0,1 А; 125 В / 0,2 А; 75 В / 0,5 А
• Сечение подключаемых проводников для клемм FM макс.: 1,5 мм2 одножильный жесткий / гибкий
• Вес: 84 g
• Код ТН ВЭД (Комбинированная номенклатура ЕС): 85363030
• Код GTIN: 4013364108318
Бренд | Dehn+Sohne |
Вид оборудования | Автоматический выключатель |
Класс УЗИП | I, II |
Количество полюсов | 1P+N |
Количество модулей | 2 |
Импульсный ток (макс.) | 25 кА |
Уровень напряжения защиты (Uр) | 1.5 кВ |
Максимальное рабочее напряжение (Uc) | 255 В |
Тип монтажа | На DIN-рейку |
Скорость срабатывания защиты | 100 нс |
Рабочая температура | от -40°С до +80°С |
Рабочая влажность | не выше 80% без конденсации |
Класс защиты (IP) | IP20 |
Страна производства | Германия |
Функция «Быстрый заказ» позволяет покупателю не проходить всю процедуру оформления заказа самостоятельно. Вы заполняете форму, и через короткое время вам перезвонит менеджер магазина. Он уточнит все условия заказа, ответит на вопросы, касающиеся качества товара, его особенностей. А также подскажет о вариантах оплаты и доставки.
По результатам звонка, пользователь либо, получив уточнения, самостоятельно оформляет заказ, укомплектовав его необходимыми позициями, либо соглашается на оформление в том виде, в котором есть сейчас. Получает подтверждение на почту или на мобильный телефон и ждёт доставки.
Оформление заказа в стандартном режиме
Если вы уверены в выборе, то можете самостоятельно оформить заказ, заполнив по этапам всю форму.
Заполнение адреса
Выберите из списка название вашего региона и населённого пункта. Если вы не нашли свой населённый пункт в списке, выберите значение «Другое местоположение» и впишите название своего населённого пункта в графу «Город». Введите правильный индекс.
Доставка
В зависимости от места жительства вам предложат варианты доставки. Выберите любой удобный способ. Подробнее об условиях доставки читайте в разделе «Доставка».
Оплата
Выберите оптимальный способ оплаты. Подробнее о всех вариантах читайте в разделе «Оплата»
Покупатель
Введите данные о себе: ФИО, адрес доставки, номер телефона. В поле «Комментарии к заказу» введите сведения, которые могут пригодиться курьеру, например: подъезды в доме считаются справа налево.
Оформление заказа
Проверьте правильность ввода информации: позиции заказа, выбор местоположения, данные о покупателе. Нажмите кнопку «Оформить заказ».
Наш сервис запоминает данные о пользователе, информацию о заказе и в следующий раз предложит вам повторить к вводу данные предыдущего заказа. Если условия вам не подходят, выбирайте другие варианты.
Если Вы хотите узнать об условиях доставки и оплаты, но не желаете о них читать, то Вы можете позвонить любому нашему сотруднику, и он обязательно Вам поможет.
Покупка за безналичный расчет
При оплате за безналичный расчет наш сотрудник свяжется с Вами, чтобы подтвердить заказ и уточнить сроки и адрес доставки. После оформления заказа сотрудник нашей компании вышлет вам счет, по которому необходимо будет произвести оплату.
После оплаты заказа к Вам приедет наш курьер, который доставит ваш заказ.
Самостоятельно забрать заказ из пунктов самовывоза Вы можете после его оплаты по безналичному расчету. Оплата доставки до пунктов выдачи транспортных компаний производится по тарифам выбранной Вами транспортной компании непосредственно в месте получения заказа.
Самовывоз из офиса нашей компании в Зеленограде, так же возможен после предоплаты по безналичному расчету, и предварительной договоренности с менеджером.
Интернет-магазин выполняет доставку любого товара своей собственной Службой доставки.
Стоимость доставки курьером
Стоимость доставки по Москве, Все товары —750 руб., бесплатная доставка от 25000 руб
Стоимость доставки по Московской области рассчитывается для каждого заказа индивидуально и зависит от суммарного веса товаров заказа и удаленности адреса доставки.
Время доставки
Время доставки согласовывается с менеджером Службы доставки, который обязательно свяжется с вами сразу после того, как вы разместите свой заказ.
Для осуществления доставки в регионы России мы пользуемся услугами компаний СДЭК, ЖелДорЭкспедиция, Автотрейдинг, Деловые Линии. В таком случае, указанными кампаниями взимается стоимость доставки по их внутренним тарифам с заказчика при получении товара.
Самовывоз
Забрать товар самостоятельно и абсолютно бесплатно можно только по адресу: Москва, Зеленоград, Панфиловский проспект, дом 10.
Забрать товар самовывозом можно по любому из адресов самовывоза указанных здесь, стоимость доставки до пункта самовывоза рассчитывается для каждого заказа по тарифам транспортных компаний.







