STOPPY MBB/ DACOTA 220/700 – электромеханический, практичный и прочный боллард серии “STOPPY” со светодиодными огнями и звуковым сигналом, от производителя BFT. Данная модель является отличным и практичным решением для обеспечения контроля автомобильного проезда на парковках.
Боллард изготовлен из высококачественной нержавеющей стали.
Привод болларда питается от напряжения 220-230 Вольт, потребляя мощность 300 Вт. Ток потребления 1,4А/2,4А(110В).
Среднее время работы 9 секунд (скорость открывания). Возможна эксплуатация в ручном режиме, необходимо установить выключатель в положение выключено. Управление возможно как от пульта, так и от многих элементов системы контроля и управления доступом.
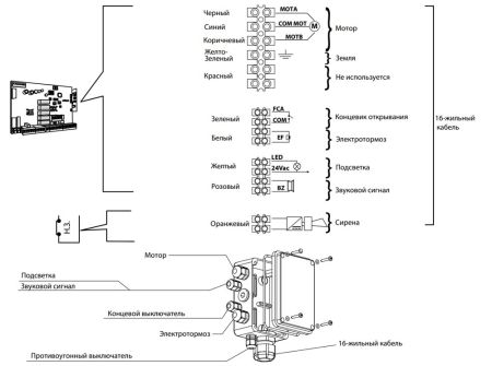
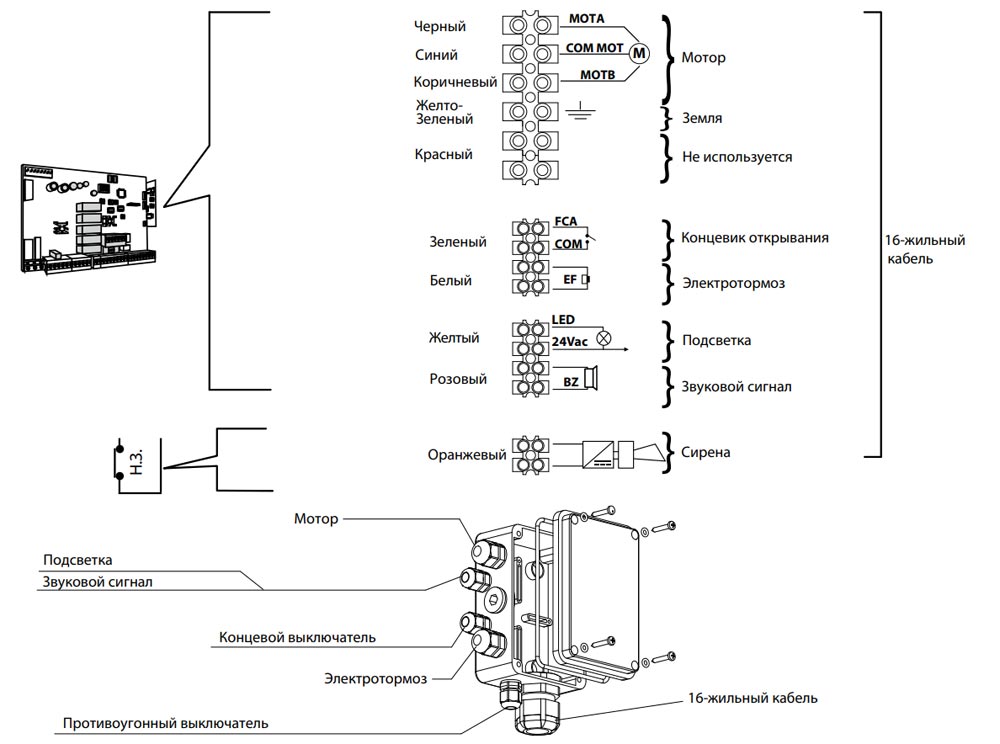
Работает боллард в системе с блоком управления Perceo, имеющим функция поддержания температуры оборудования, что не маловажно в условиях российского климата.
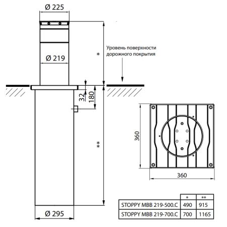
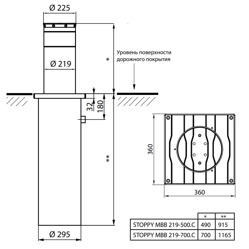
Высота столба составляет 700 мм, диаметр 220 мм., а корпус столба имеет толщину 8 мм. Время полного открытия 6 секунд. Боллард STOPPY MBB обладает свойством ударопрочности до 12000 Джоулей. Работоспособность использования равна 2000 рабочих циклов в сутки.
Прочный, ударостойкий автоматический столб выдерживает статическую нагрузку до 15000 килограммов в опущенном состоянии и до 300 кг поднятого столба. Концевой выключатель геркон.
Класс защиты IP67. Диапазон рабочих температур от –45°C до +60°C (с включенным Termon).
Характеристики:
• Производитель: BFT
• Модель: STOPPY MBB/ DACOTA 220/700
• Тип болларда: Электромеханический
• Материал: Нержавеющая сталь
• Высота болларда: 700 мм.
• Диаметр болларда: 220 мм.
• Встроенная подсветка: Да
• Напряжение пит.: 220 В
• Мощность: 300 Вт.
• Ударопрочность: 12000 Дж
• Время опускания: 9 сек.
• Интенсивность использования: до 2000 циклов в сутки
• Рабочая температура: -45...+60°C
• Класс защиты: IP67
• Вес: 97 кг.
• Страна производства: Италия


Бренд | BFT |
Вид товара | Блокиратор проезда |
Тип шлагбаума | Автоматический |
Тип болларда | Подъемный, Автоматический |
Тип привода | Электромеханический |
Подсветка | Встроенные светодиоды |
Ударопрочность | 8 000 Дж |
Скорость опускания | 9 сек. |
Высота болларда, мм | 700 |
Диаметр болларда, мм | 220 |
Серия боллардов | Came BFT Stoppy |
Напряжение питания | 230 В |
Потребляемая мощность, макс. | 300 Вт |
Вес, кг | 97 |
Рабочая температура | от -45°C до +60°C |
Класс защиты (IP) | IP67 |
Интенсивность использования | 2000 циклов в сутки |
Гарантия | 1 год |
Страна производства | Италия |
Функция «Быстрый заказ» позволяет покупателю не проходить всю процедуру оформления заказа самостоятельно. Вы заполняете форму, и через короткое время вам перезвонит менеджер магазина. Он уточнит все условия заказа, ответит на вопросы, касающиеся качества товара, его особенностей. А также подскажет о вариантах оплаты и доставки.
По результатам звонка, пользователь либо, получив уточнения, самостоятельно оформляет заказ, укомплектовав его необходимыми позициями, либо соглашается на оформление в том виде, в котором есть сейчас. Получает подтверждение на почту или на мобильный телефон и ждёт доставки.
Оформление заказа в стандартном режиме
Если вы уверены в выборе, то можете самостоятельно оформить заказ, заполнив по этапам всю форму.
Заполнение адреса
Выберите из списка название вашего региона и населённого пункта. Если вы не нашли свой населённый пункт в списке, выберите значение «Другое местоположение» и впишите название своего населённого пункта в графу «Город». Введите правильный индекс.
Доставка
В зависимости от места жительства вам предложат варианты доставки. Выберите любой удобный способ. Подробнее об условиях доставки читайте в разделе «Доставка».
Оплата
Выберите оптимальный способ оплаты. Подробнее о всех вариантах читайте в разделе «Оплата»
Покупатель
Введите данные о себе: ФИО, адрес доставки, номер телефона. В поле «Комментарии к заказу» введите сведения, которые могут пригодиться курьеру, например: подъезды в доме считаются справа налево.
Оформление заказа
Проверьте правильность ввода информации: позиции заказа, выбор местоположения, данные о покупателе. Нажмите кнопку «Оформить заказ».
Наш сервис запоминает данные о пользователе, информацию о заказе и в следующий раз предложит вам повторить к вводу данные предыдущего заказа. Если условия вам не подходят, выбирайте другие варианты.
Если Вы хотите узнать об условиях доставки и оплаты, но не желаете о них читать, то Вы можете позвонить любому нашему сотруднику, и он обязательно Вам поможет.
Покупка за безналичный расчет
При оплате за безналичный расчет наш сотрудник свяжется с Вами, чтобы подтвердить заказ и уточнить сроки и адрес доставки. После оформления заказа сотрудник нашей компании вышлет вам счет, по которому необходимо будет произвести оплату.
После оплаты заказа к Вам приедет наш курьер, который доставит ваш заказ.
Самостоятельно забрать заказ из пунктов самовывоза Вы можете после его оплаты по безналичному расчету. Оплата доставки до пунктов выдачи транспортных компаний производится по тарифам выбранной Вами транспортной компании непосредственно в месте получения заказа.
Самовывоз из офиса нашей компании в Зеленограде, так же возможен после предоплаты по безналичному расчету, и предварительной договоренности с менеджером.
Интернет-магазин выполняет доставку любого товара своей собственной Службой доставки.
Стоимость доставки курьером
Стоимость доставки по Москве, Все товары —750 руб., бесплатная доставка от 25000 руб
Стоимость доставки по Московской области рассчитывается для каждого заказа индивидуально и зависит от суммарного веса товаров заказа и удаленности адреса доставки.
Время доставки
Время доставки согласовывается с менеджером Службы доставки, который обязательно свяжется с вами сразу после того, как вы разместите свой заказ.
Для осуществления доставки в регионы России мы пользуемся услугами компаний СДЭК, ЖелДорЭкспедиция, Автотрейдинг, Деловые Линии. В таком случае, указанными кампаниями взимается стоимость доставки по их внутренним тарифам с заказчика при получении товара.
Самовывоз
Забрать товар самостоятельно и абсолютно бесплатно можно только по адресу: Москва, Зеленоград, Панфиловский проспект, дом 10.
Забрать товар самовывозом можно по любому из адресов самовывоза указанных здесь, стоимость доставки до пункта самовывоза рассчитывается для каждого заказа по тарифам транспортных компаний.

















