Извещатель пожарный пламени Болид С2000-Спектрон-207-М, адресный, инфракрасный
Болид С2000-Спектрон-207-М – это современный адресный извещатель пожарного пламени инфракрасного диапазона, специально разработанный для интеграции в системы пожарной безопасности «Орион». Устройство предназначено для быстрого и точного обнаружения открытого пламени при пожаре, что позволяет оперативно реагировать на возникновение чрезвычайной ситуации.
Извещатель работает совместно с контроллерами двухпроводной линии связи «С2000-КДЛ» и «С2000-КДЛ-2И», обеспечивая стабильную работу системы и высокий уровень надежности. Корпус устройства выполнен из оцинкованной стали, что гарантирует защиту по стандарту IP68 – этот показатель свидетельствует о высокой степени защиты от попадания пыли и влаги, позволяя использовать извещатель в помещениях с высокими требованиями к эксплуатационным условиям.
Дополнительно устройство характеризуется низким энергопотреблением, быстрым временем срабатывания и длительным сроком службы. Благодаря простоте монтажа, удобству программирования адреса с помощью магнитного ключа и соответствию современным стандартам безопасности, этот извещатель станет незаменимым элементом комплексной системы пожарной сигнализации.
Особенности:
- Инфракрасный сенсор высокой чувствительности, обеспечивающий быстрое обнаружение пламени.
- Адресное управление с возможностью индивидуального программирования устройства.
- Совместимость с контроллерами «С2000-КДЛ» и «С2000-КДЛ-2И» для интеграции в систему «Орион».
- Прочный оцинкованный стальной корпус с классом защиты IP68, гарантирующий надежную работу в условиях повышенной влажности и запыленности.
- Низкое энергопотребление, что способствует снижению эксплуатационных затрат.
- Соответствие современным нормам электромагнитной совместимости и устойчивости к вибрационным нагрузкам.
- Удобство монтажа и проведения регулярного технического обслуживания.
Преимущества:
- Высокая надежность срабатывания и точность детекции, что позволяет своевременно реагировать на пожар.
- Длительный срок службы и стабильная работа в широком диапазоне температур от –30°C до +50°C.
- Простота интеграции в современные системы пожарной безопасности благодаря стандартному протоколу связи.
- Быстрая и удобная настройка адреса извещателя с использованием магнитного ключа.
- Эффективная защита от индустриальных радиопомех и внешних помех, обеспечивающая стабильность работы.
- Легкость монтажа и минимальные затраты на техническое обслуживание.
- Соответствие требованиям международных стандартов безопасности и сертификации.
Недостатки:
- Ограниченное применение в условиях агрессивных сред с высокой концентрацией химических веществ.
- Невозможность использования в помещениях с экстремально высокой пылью или в зонах с повышенным риском взрывопожара.
- Требование регулярного технического обслуживания для поддержания оптимальной работоспособности.
- Ограничения эксплуатации при резких перепадах температур, что необходимо учитывать при установке.
Данный извещатель – это оптимальное решение для современных систем пожарной сигнализации, где важны высокая скорость реакции, надежность и долговечность оборудования. Инновационные технологии, подтвержденные испытаниями и сертификацией, делают Болид С2000-Спектрон-207-М незаменимым элементом в обеспечении пожарной безопасности на объектах различного назначения.
Характеристики:
- Инерционность извещателя, сек не более: 30
- Напряжение в линии связи, В: от 8 до 11
- Потребляемый ток, мА: не более 0,8
- Время технической готовности, сек: не более 60
- Степень защиты оболочки ГОСТ 14254-2015: - «С2000-Спектрон-207» (Корпус из ABS-пластика): IP41
- Устойчивость к механическим воздействиям по ОСТ 25 1099-83: категория размещения 3
- Вибрационные нагрузки: - диапазон частот, Гц: 1-35
- Диапазон температур, °С: от минус 30 до плюс 50
- Относительная влажность воздуха, %: до 93 при +40 °С
- Климатическое исполнение по ОСТ 25 1099-83: О3
- Угол обзора, град: 90
- Спектральная чувствительность, мкм: 4,3
- Чувствительность по ГОСТ Р 53325-2012: 2 класс
- Устойчивость к прямому свету, не менее, лк: - лампы накаливания: 50 000
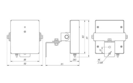
- Масса, кг: - «С2000-Спектрон-207» не более: 0,2
- Габариты, мм: - «С2000-Спектрон-207» не более: 158х84х73
- Время непрерывной работы извещателя: круглосуточно
- Средняя наработка извещателя на отказ, ч: 60000
- Вероятность безотказной работы: 0,98758
- Средний срок службы извещателя, лет: 10
- Извещатель удовлетворяет нормам индустриальных радиопомех, установленным для оборудования класса Б по ГОСТ Р 51318.22.
- По устойчивости к индустриальным радиопомехам извещатель соответствует требованиям четвертой степени жесткости по ГОСТ Р 50009.
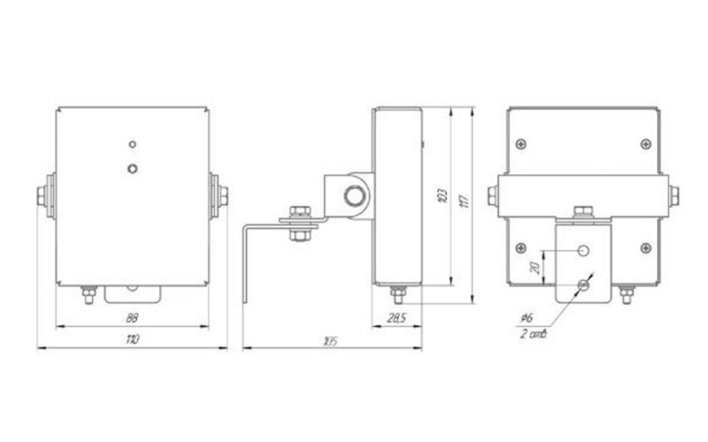
- «С2000-Спектрон-207-М» (Корпус из оцинкованной стали): IP68
- максимальное ускорение 0,5g: (4,9 м/с2)
- люминесцентной лампы: 50 000
- «С2000-Спектрон-207-М» не более: 0,8
- «С2000-Спектрон-207-М» не более: 110х105х117
Бренд | Болид |
Тип извещателя | Пламени |
Адресный | Да |
Тип передачи данных | Проводной |
Исполнение | Уличное |
Степень жесткости к электромагнитным помехам | 4 |
Скорость срабатывания | 30 сек |
Принцип обнаружения | Точечный |
Материал | Оцинкованная сталь |
Индикация | Световая |
Угол обзора | 90° |
Напряжение питания | 8...11 В |
Потребляемый ток, макс. | 0.8 мА |
Габариты | 110х105х117 мм |
Вес, кг | 0.8 |
Рабочая температура | от -45°C до +75°C |
Рабочая влажность | не выше 93% |
Класс защиты (IP) | IP68 |
Наработка на отказ, не менее | 60 000 часов |
Средний срок службы | Не менее 10 лет |
Гарантия | 18 мес. |
Страна производства | Россия |
Функция «Быстрый заказ» позволяет покупателю не проходить всю процедуру оформления заказа самостоятельно. Вы заполняете форму, и через короткое время вам перезвонит менеджер магазина. Он уточнит все условия заказа, ответит на вопросы, касающиеся качества товара, его особенностей. А также подскажет о вариантах оплаты и доставки.
По результатам звонка, пользователь либо, получив уточнения, самостоятельно оформляет заказ, укомплектовав его необходимыми позициями, либо соглашается на оформление в том виде, в котором есть сейчас. Получает подтверждение на почту или на мобильный телефон и ждёт доставки.
Оформление заказа в стандартном режиме
Если вы уверены в выборе, то можете самостоятельно оформить заказ, заполнив по этапам всю форму.
Заполнение адреса
Выберите из списка название вашего региона и населённого пункта. Если вы не нашли свой населённый пункт в списке, выберите значение «Другое местоположение» и впишите название своего населённого пункта в графу «Город». Введите правильный индекс.
Доставка
В зависимости от места жительства вам предложат варианты доставки. Выберите любой удобный способ. Подробнее об условиях доставки читайте в разделе «Доставка».
Оплата
Выберите оптимальный способ оплаты. Подробнее о всех вариантах читайте в разделе «Оплата»
Покупатель
Введите данные о себе: ФИО, адрес доставки, номер телефона. В поле «Комментарии к заказу» введите сведения, которые могут пригодиться курьеру, например: подъезды в доме считаются справа налево.
Оформление заказа
Проверьте правильность ввода информации: позиции заказа, выбор местоположения, данные о покупателе. Нажмите кнопку «Оформить заказ».
Наш сервис запоминает данные о пользователе, информацию о заказе и в следующий раз предложит вам повторить к вводу данные предыдущего заказа. Если условия вам не подходят, выбирайте другие варианты.
Если Вы хотите узнать об условиях доставки и оплаты, но не желаете о них читать, то Вы можете позвонить любому нашему сотруднику, и он обязательно Вам поможет.
Покупка за безналичный расчет
При оплате за безналичный расчет наш сотрудник свяжется с Вами, чтобы подтвердить заказ и уточнить сроки и адрес доставки. После оформления заказа сотрудник нашей компании вышлет вам счет, по которому необходимо будет произвести оплату.
После оплаты заказа к Вам приедет наш курьер, который доставит ваш заказ.
Самостоятельно забрать заказ из пунктов самовывоза Вы можете после его оплаты по безналичному расчету. Оплата доставки до пунктов выдачи транспортных компаний производится по тарифам выбранной Вами транспортной компании непосредственно в месте получения заказа.
Самовывоз из офиса нашей компании в Зеленограде, так же возможен после предоплаты по безналичному расчету, и предварительной договоренности с менеджером.
Интернет-магазин выполняет доставку любого товара своей собственной Службой доставки.
Стоимость доставки курьером
Стоимость доставки по Москве, Все товары —750 руб., бесплатная доставка от 25000 руб
Стоимость доставки по Московской области рассчитывается для каждого заказа индивидуально и зависит от суммарного веса товаров заказа и удаленности адреса доставки.
Время доставки
Время доставки согласовывается с менеджером Службы доставки, который обязательно свяжется с вами сразу после того, как вы разместите свой заказ.
Для осуществления доставки в регионы России мы пользуемся услугами компаний СДЭК, ЖелДорЭкспедиция, Автотрейдинг, Деловые Линии. В таком случае, указанными кампаниями взимается стоимость доставки по их внутренним тарифам с заказчика при получении товара.
Самовывоз
Забрать товар самостоятельно и абсолютно бесплатно можно только по адресу: Москва, Зеленоград, Панфиловский проспект, дом 10.
Забрать товар самовывозом можно по любому из адресов самовывоза указанных здесь, стоимость доставки до пункта самовывоза рассчитывается для каждого заказа по тарифам транспортных компаний.
Более 100 научных исследований, системных обзоров и метаанализов было проработано для подготовки этого материала. Несмотря на значение городов в современном мире, их будущее на удивление хрупко и представляет угрозу не только для их жителей, но и для стран, и даже для всей человеческой цивилизации.














