Считыватель MATRIX-II является считывателем, совмещенным с сетевым контроллером, и предназначен для использования в системах контроля и управления (СКУД) в жилые и производственные помещения, учёта времени прохода и событий.
Считыватель может работать как автономно, так и в составе сети.
По подключению и работе в автономном режиме считыватель MATRIX-II аналогичен считывателю MATRIX-II .
Подключение к сети происходит по RS-485 (двухпроводное подключение).
Считыватель работает с proximity-картами стандарта EM-Marine и ключами DS1990А.
Комплект поставки:
• Считыватель MATRIX- II(мод.Net): 1 шт.
• Перемычка: 2 шт.
• Заглушки: .2 шт.
• Шуруп 3х30: 2 шт.
• Дюбель: 2 шт.
• Руководство по эксплуатации: 1 шт.
Считыватель MATRIX-II позволяет подключить следующее оборудование:
• бесконтактный считыватель proximity-карт, эмулирующий протокол ключа (рекомендуется считыватель MATRIX-II);
• электромагнитный замок, электромеханический замок/защёлка;
• кнопка открывания замка (нормально разомкнутая);
• внешний зуммер, внешний светодиод;
• датчик открытой двери (тип нормально открытый).
Считыватель MATRIX-II (мод.Net) работает с бесплатным ПО "GUARD Commander" и "Base Z5R".
Технические характеристики:
• Наличие перемычки типа замков (электромагнитный/электромеханический): да
• Световая и звуковая индикация режимов работы и программирования: да
• Установка длительности открывания замка: от 0,1 до 25,5 cек (заводское - 3 сек)
• Выход: МДП-транзистор
• Рабочее напряжение: 12В DC
• Ток потребления (дежурный режим): 30мА
• Ток коммутации : до 5А
Характеристики при автономной работе (без подключения в сети):
Максимальное количество ключей: до 2024 шт.
• простые карточки – для прохода.
• мастер-карточки – только для входа в режимы программирования и отключения режима “Блокировка".
• блокировочные карточки – для прохода и включения режима "Блокировка".
Дополнительные режимы работы:
• режим "Блокировка" – открыт проход по блокирующим ключам, закрыт для простых;
• режим "Свободный проход" – управление доступом отключено (замок всегда открыт);
• режим "Accept" – открывание прохода и автоматическая запись всех новых карт в память (включается мастер-картой).
• режим "Триггер" – для включения/выключения управляемого устройства с напряжением питания не выше 17 В и током потребления до 5А.
Характеристики при работе в сети:
• максимальное количество карт/ключей, шт.: 2024
• объём памяти событий: 2048
• максимальное количество контроллеров в сети: 255
• скорость обмена по сети RS-485 (устанавливается автоматически), Бод: 19200/57600
При подключении датчика двери доступны события "Взлом двери" и "Незакрытая дверь".
Встроенный считыватель MATRIX-II (мод.Net) воспринимается ПО как подключённый на "выход".
Внешний считыватель MATRIX-II устанавливается на "вход".
Исходно управляющее ПО воспринимает MATRIX-II (мод.Net) как контроллер со считывателем, подключённым по стандарту iButton (Dallas Touch Memory - TM).
С помощью установки перемычки на клеммах разъёма №1 (замыкание контактов LED-GND) устанавливается режим Wiegand-26. В данном режиме ПО понимает MATRIX-II (мод.Net) как контроллер с подключённым считывателем по Wiegand-26.
Устанавливать перемычку следует только при выключенном питании.
Если какие-то карты были записаны без установки перемычки, то после её установки они будут неизвестны, так как форматы хранения кода карт (Wiegand-26 и ТМ) в памяти различны.

Программирование считывателя
Программирование при работе в автономном режиме (без подключения к сети).
Первое включение считывателя (в базе нет карт).
Выдаются короткие сигналы в течение 16 секунд. Это указывает на то, что память стерта и установлен режим добавления мастер-карт.
В момент выдачи сигналов коснитесь картой считывателя - это приведёт к записи её в память в качестве мастер-карты.
Прекращение выдачи коротких сигналов является подтверждением успешной записи первой мастер карты.
Для добавления новых мастер-карт подносите их по очереди к считывателю с паузой между касаниями менее 16 секунд. На каждое касание новой картой считыватель выдает короткий подтверждающий сигнал.
Выход из режима добавления мастер-карт происходит автоматически через 16 секунд после последнего касания. О выходе из режима считыватель информирует серией коротких сигналов.
В дальнейшем для программирования используются мастер-карты.
Если ни одной карты записать не удалось, повторите включение.
Вход в режим записи мастер-карты при подаче питания происходит только при полностью пустой базе (ни простых, ни мастер-, ни блокирующих карт).

Общие свойства режимов программирования
Для перевода считывателя в нужный режим программирования используются короткие (менее 1 сек) и длинные (около 6 сек) касания мастер-картой. На работу в режиме программирования есть ограничение на время после последнего касания (около 16 сек), после которого считыватель выходит в исходное состояние, информируя серией коротких сигналов.
1. Добавление простых карт ( 1 д М ).
Коснитесь и удерживайте мастер-карту (длинное касание). В момент касания считыватель выдаст короткий сигнал, подтверждающий опознание мастер-карты, и через 6 секунд - второй сигнал, указывающий на переход считывателя в режим добавления простых карт. После этого мастер-карту следует убрать. Для добавления новых карт касайтесь ими по очереди считывателя с паузой между касаниями менее 16 секунд. На каждое касание
новой картой считыватель выдает подтверждающий короткий сигнал. Если карта уже имеется в памяти, то два коротких сигнала. Выход из режима происходит либо автоматически через 16 секунд после последнего касания, либо при касании мастер-картой. О выходе из режима считыватель информирует серией коротких сигналов.
2. Добавление блокирующих карт ( 1 д М ).
В режиме добавления простых карт надо коснуться выбранной картой считывателя и удерживать около 9 секунд до длинного сигнала ( т.е. сначала будет короткий сигнал, а потом длинный сигнал о добавлении блокирующей карты). Если не будете добавлять ещё карты, то далее будет серия коротких сигналов - выход из режима программирования.
3. Добавление мастер-карт ( 1 к М, 1 д М ).
Кратковременно коснитесь мастер-картой считывателя (короткое касание). В момент касания считыватель выдаст короткий сигнал, подтверждающий опознание мастер-карты, и не более чем через 6 секунд коснитесь и удерживайте мастер-карту у считывателя (длинное касание). В момент касания считыватель выдаст два коротких сигнала, указывающих на второе касание мастер-картой в режиме программирования, и через 6 секунд - один сигнал, указывающий на переход устройства в режим добавления мастер-карт. После этого мастер-карту следует убрать. Для добавления новых мастер-карт касайтесь ими по очереди считывателя с паузой между касаниями не более 16 секунд. На каждое касание новой картой считыватель выдает подтверждающий короткий сигнал. Если карта уже имеется в памяти как мастер-карта, то сигналов не будет. Выход из режима добавления мастер-карт происходит автоматически через 16 секунд после последнего касания. О выходе из режима контроллер информирует серией из 5 коротких сигналов.
4. Стирание простых карт с помощью мастер-карты ( 2 к М, 1 д М ).
Два раза кратковременно коснитесь мастер-картой считывателя (короткие касания). В момент первого касания считыватель выдаст короткий сигнал, подтверждающий опознание мастер-карты. В момент второго касания считыватель выдаст два коротких сигнала, указывающих на второе касание мастер-картой в режиме программирования, и не более чем через 6 секунд коснитесь и удерживайте мастер-карту у считывателя (длинное касание). В момент третьего касания считыватель выдаст три коротких сигнала, и через 6 секунд - один сигнал, указывающий на переход в режим стирания простых карт. После этого мастер-карту следует убрать. Для стирания карт касайтесь ими по очереди считывателя с паузой между касаниями не более 16 секунд.
На каждое касание стираемой картой считыватель выдает подтверждающий короткий сигнал. Если карты нет в памяти, то два коротких сигнала. Выход из режима происходит либо автоматически через 16 секунд после последнего касания, либо при касании мастер-картой. О выходе из режима считыватель информирует серией коротких сигналов.
5. Стирание памяти считывателя ( 3 к М, 1 д М ).
Три раза кратковременно коснитесь мастер-картой считывателя (короткие касания). В момент первого касания считыватель выдаст короткий сигнал, подтверждающий опознание мастер-карты. В момент второго касания считыватель выдаст два коротких сигнала, указывающих на второе касание мастер-картой в режиме программирования. В момент третьего касания считыватель выдаст три коротких сигнала, указывающих на третье касание мастер-картой, и не более чем через 6 секунд коснитесь и удерживайте мастер-карту у считывателя (длинное касание). В момент четвертого касания считыватель выдаст четыре коротких сигнала, и через 6 секунд - серию коротких, указывающих на стирание памяти считывателя и выход из режима
программирования. После этого мастер-карту следует убрать. Переход в режим программирования будет осуществлен автоматически после включения питания.
* В момент стирания всей базы с помощью мастер-карты не происходит стирания запрограммированного времени открывания.
6. Программирование времени открывания (4 к М ).
Четыре раза кратковременно поднесите мастер-карту к считывателю. В момент каждого касания считыватель выдает сигналы, подтверждающие опознание мастер-карты, а их количество будет соответствовать количеству касаний. В момент четвертого касания считыватель выдает соответственно четыре сигнала и перейдет в режим программирования времени открывания. В течении 6 секунд от последнего касания необходимо замкнуть кнопку
двери на время, необходимое для открывания. После отпускания кнопки контроллер выдаст сигнал и запишет время в память.
* Если кнопка открывания не устанавливается, то замыкаются между собой контакты №3 и №4 разъема.
7. Режим "Блокировка" (1 д Б ).
В режиме "Блокировка"- открыт проход по блокирующим картам, а закрыт проход для простых карточек. Режим "Блокировка" устанавливается при закрытой двери с помощью блокирующей карты ( добавление блокирующих карт - п.п.2).
Блокирующая карта предназначена для работы:
• как простая карта доступа в общем режиме работы (т.е. открыт доступ для всех простых и блокирующих карт, прописанных в базе);
• для перевода в режим блокировки ( в этом режиме отрывают только блокирующие карты);
• для перевода в обычный режим.
Блокирующая карта открывает по отпусканию.
Для перевода в режим блокировки надо закрыть дверь и удерживать блокирующую карту у считывателя около 3 секунд до появления длительного непрерывного сигнала, что соответствует включению режима блокировки.
В этом режиме блокируются все простые карты. При использования простой карты открытия не происходит, а выдаётся серия коротких сигналов.
Выход из режима блокировки в общий режим производится:
• с помощью блокирующей карты (до серии коротких сигналов);
• коротким касанием мастер-карты (серия коротких сигналов).
* При пропадании напряжения питания установленный ранее режим "Блокировка" сохраняется и после включении напряжения.
8. Режим "Свободный проход" (1дБ ).
Для использования данного режима необходимо подключить датчик двери. В режиме "Свободный проход" управление доступом отключено (замок всегда открыт). Для перевода в режим "Свободный проход" необходимо открыть дверь и удерживать блокирующий ключ у считывателя около 3-х секунд до появления двух длинных сигналов, что соответствует включению режима "Свободный проход". Для выхода из режима следует при любом положении двери (открытой или закрытой) удерживать блокирующий ключ у считывателя до появления звуковых сигналов. Примечание: В этом режиме электромеханический замок должен выдерживать долговременную подачу напряжения. Не совместим с режимом "Триггер".
9. Включение режима "Ассерт" ( 5 к М ).
Режим "Accept" применяется для записи всех подносимых карточек ЕМ-Marine в память устройства. В данном режиме от карты, подносимой к считывателю, происходит срабатывание на открывание двери, и одновременно она записывается в память считывателя. Режим используется для восстановления базы пользователей без сбора карт клиентов. Для включения режима необходима мастер-карта. Пять раз кратковременно поднесите мастер-карту к считывателю. В момент каждого касания считыватель выдает сигналы, подтверждающие опознание мастер-карты, а их количество будет соответствовать количеству касаний. В момент пятого касания считыватель выдаст соответственно пять сигналов и через несколько секунд ещё один длинный сигнал, подтверждающий переход в режим "Accept". Для выхода из режима поднесите мастер-карту, сигнал о выходе - серия коротких сигналов. *При пропадании напряжения питания установленный ранее режим "Accept"" сохраняется и после включения напряжения.
Работа при подключении в сеть (RS485).
Считыватели MATRIX-II (мод.Net) могут объединяться в сеть с использованием интерфейса RS-485 и работать под управлением компьютера. Специализированное программное обеспечение (ПО) позволяет программировать, управлять их работой, скачивать события. Однако решение о предоставлении доступа по карточке принимает сам MATRIX-II (мод.Net) независимо от того, подключен он к ПК или нет.
Считыватели MATRIX-II (мод.Net) соединяются между собой по RS-485 последовательно друг за другом.
На рисунке приведён вариант подключения контроллеров к ПК. Термин "последний" означает, что считыватель MATRIX-II (мод.Net) является физически последним в линии связи.


Монтаж и подключение
Считыватель монтируется на плоской поверхности в месте, обеспечивающем беспрепятственное поднесение к нему PROXIMITY-карты.
Для монтажа считывателя MATRIX-II (мод.Net) выполните следующие операции:
• разметьте и просверлите отверстия для крепления под размер отверстий считывателя (рис.2);
• подсоедините подключаемые устройства проводами к разъёму считывателя в соответствии со схемой;
• в случае, если замок электромеханический, установите перемычку в положение 1;
• в зависимости от того, в какую сторону прокладывается кабель подключения считывателя, удалите тонкую перемычку в корпусе считывателя и проложите в него кабель;
При подключении питания к считывателю загорается красный светодиод и считыватель переходит в режим программирования (первое включение - запись мастер-карт).
• установите считыватель и закрепите его винтами.
Закройте отверстия на считывателе заглушками из комплекта.
* При установке 2-х считывателей расстояние между ними - не менее 10 см

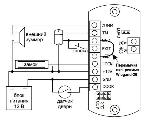
1. ZUMM - внешний зуммер.
2. ТМ - вход ТМ центральный
3. GND
4. EXIT - кнопка открывания двери
5. LED - внешний светодиод (+)
6. LOCK - замок
7. +12V
8. GND
9. DOOR - датчик (геркон) открытия двери.

Примечание:
1) При подключении бесконтактного считывателя MATRIX-II к MATRIX-II (мод.Net) управление светодиодами и звуком происходит по проводу ТМ.
2) Подключать необязательно: внешний зуммер; светодиод; датчик двери.
Гарантийный срок эксплуатации 12 месяцев со дня продажи или 18 месяцев от даты выпуска.
Срок службы изделия – 6 лет.
Бренд контроллера | Iron Logic |
Исполнение | Уличное |
Тип контроллера | Сетевые |
Управление устройствами | Электронный замок, Турникет |
Тип корпуса контроллера | В одном корпусе со считывателем |
Поддерживаемые датчики | Геркон |
Интерфейс связи со считывателем | Wiegand-26, RS-485, Touch Memory (1-Wire, iButton) |
Количество событий | 2 048 |
Количество пользователей /карт | 2 024 |
Количество поддерживаемых форматов | Одноформатный |
Поддерживаемые форматы | Em-Marine |
Дополнительные интерфейсы | RS-485 |
Количество подключаемых считывателей | 1 |
Количество подключаемых замков | 1 |
Программное обеспечение | Бесплатное |
Напряжение питания | 8...18 В |
Источник питания | В комплект НЕ ВХОДИТ! (приобретается отдельно) |
Потребляемый ток, макс. | 45 мА |
Габариты | 85х44х18 мм |
Вес, кг | 0.1 |
Рабочая температура | от -40°C до +50°C |
Рабочая влажность | не выше 90% без конденсации |
Гарантия | 18 мес. |
Страна производства | Россия |
Функция «Быстрый заказ» позволяет покупателю не проходить всю процедуру оформления заказа самостоятельно. Вы заполняете форму, и через короткое время вам перезвонит менеджер магазина. Он уточнит все условия заказа, ответит на вопросы, касающиеся качества товара, его особенностей. А также подскажет о вариантах оплаты и доставки.
По результатам звонка, пользователь либо, получив уточнения, самостоятельно оформляет заказ, укомплектовав его необходимыми позициями, либо соглашается на оформление в том виде, в котором есть сейчас. Получает подтверждение на почту или на мобильный телефон и ждёт доставки.
Оформление заказа в стандартном режиме
Если вы уверены в выборе, то можете самостоятельно оформить заказ, заполнив по этапам всю форму.
Заполнение адреса
Выберите из списка название вашего региона и населённого пункта. Если вы не нашли свой населённый пункт в списке, выберите значение «Другое местоположение» и впишите название своего населённого пункта в графу «Город». Введите правильный индекс.
Доставка
В зависимости от места жительства вам предложат варианты доставки. Выберите любой удобный способ. Подробнее об условиях доставки читайте в разделе «Доставка».
Оплата
Выберите оптимальный способ оплаты. Подробнее о всех вариантах читайте в разделе «Оплата»
Покупатель
Введите данные о себе: ФИО, адрес доставки, номер телефона. В поле «Комментарии к заказу» введите сведения, которые могут пригодиться курьеру, например: подъезды в доме считаются справа налево.
Оформление заказа
Проверьте правильность ввода информации: позиции заказа, выбор местоположения, данные о покупателе. Нажмите кнопку «Оформить заказ».
Наш сервис запоминает данные о пользователе, информацию о заказе и в следующий раз предложит вам повторить к вводу данные предыдущего заказа. Если условия вам не подходят, выбирайте другие варианты.
Если Вы хотите узнать об условиях доставки и оплаты, но не желаете о них читать, то Вы можете позвонить любому нашему сотруднику, и он обязательно Вам поможет.
Покупка за безналичный расчет
При оплате за безналичный расчет наш сотрудник свяжется с Вами, чтобы подтвердить заказ и уточнить сроки и адрес доставки. После оформления заказа сотрудник нашей компании вышлет вам счет, по которому необходимо будет произвести оплату.
После оплаты заказа к Вам приедет наш курьер, который доставит ваш заказ.
Самостоятельно забрать заказ из пунктов самовывоза Вы можете после его оплаты по безналичному расчету. Оплата доставки до пунктов выдачи транспортных компаний производится по тарифам выбранной Вами транспортной компании непосредственно в месте получения заказа.
Самовывоз из офиса нашей компании в Зеленограде, так же возможен после предоплаты по безналичному расчету, и предварительной договоренности с менеджером.
Интернет-магазин выполняет доставку любого товара своей собственной Службой доставки.
Стоимость доставки курьером
Стоимость доставки по Москве, Все товары —750 руб., бесплатная доставка от 25000 руб
Стоимость доставки по Московской области рассчитывается для каждого заказа индивидуально и зависит от суммарного веса товаров заказа и удаленности адреса доставки.
Время доставки
Время доставки согласовывается с менеджером Службы доставки, который обязательно свяжется с вами сразу после того, как вы разместите свой заказ.
Для осуществления доставки в регионы России мы пользуемся услугами компаний СДЭК, ЖелДорЭкспедиция, Автотрейдинг, Деловые Линии. В таком случае, указанными кампаниями взимается стоимость доставки по их внутренним тарифам с заказчика при получении товара.
Самовывоз
Забрать товар самостоятельно и абсолютно бесплатно можно только по адресу: Москва, Зеленоград, Панфиловский проспект, дом 10.
Забрать товар самовывозом можно по любому из адресов самовывоза указанных здесь, стоимость доставки до пункта самовывоза рассчитывается для каждого заказа по тарифам транспортных компаний.


