Электромеханическая защелка ST-SL651NO-L предназначена для работы в составе систем контроля доступа с электронным управлением блокировкой дверей. Она используется совместно с механическими замками с косым ригелем и врезается в дверной косяк вместо стандартной ответной части.
• Нормально-открытый режим работы
• Нагрузка удержания 3900 Н
• Класс защиты IP65
• Универсальная защелка для правой и левой двери
• Установка вертикально или горизонтально
• Запирающий механизм выполнен из цинка
• Опционально − короткая запорная планка из нержавеющей стали
Электромеханическая защелка ST-SL651NO-L предназначена для работы в составе систем контроля доступа с электронным управлением блокировкой дверей. Она используется совместно с механическими замками с косым ригелем и врезается в дверной косяк вместо стандартной ответной части. Эта влагозащищенная модель может применяться в уличных условиях, например, на калитках, так как имеет класс защиты IP65 и высокую антикоррозийную стойкость.
Модель нормально-открытого типа
Защелка ST-SL651NO-L поставляется в нормально-открытом исполнении и разблокируется при отключении питания, а блокируется при его подаче. Защелки такого типа могут применяться на тех объектах, где необходимо, чтобы при прекращении подачи напряжения (например, в случае аварии) дверь открывалась, обеспечивая свободный проход.
Характеристики:
• Материал язычка: Цинк
• Режим работы: НО
• Регулируемый язычок: Нет
• Механическая разблокировка: Нет
• Электрическая разблокировка: Да, отключением напряжения питания
• Арретирование: Нет
• Мониторинг: Нет
• Нагрузка удержания: 3900 Н
• Противонагрузка: 10 Н
• Напряжение питания: 12 В (DC) ±10%
• Потребляемый ток: 230 мА
• Диапазон рабочих температур: от -25 до +60 °С
• Диапазон рабочей влажности: 10%−99%
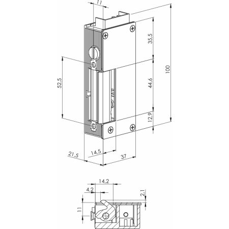
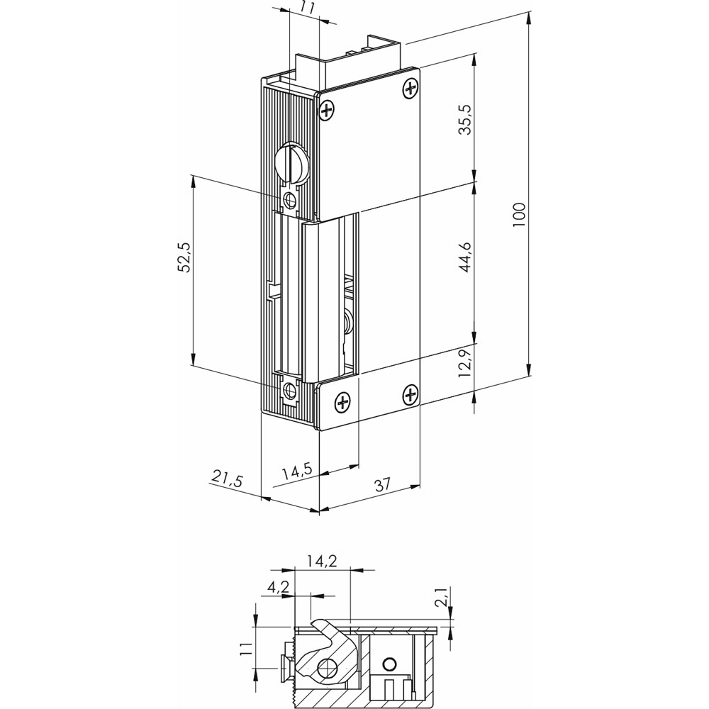
• Габариты: 100 х 21 х 37 мм (без учета планок)
Внимание 1 (Диод)
При подключении электромагнитных или электромеханических замков постоянного тока к контроллеру СКУД, их необходимо шунтировать диодами. Наиболее часто используется диод 1N4007.
Категорически запрещается использование замков с не подключёнными защитными диодами! ЭДС самоиндукции, возникающая на катушке замка при размыкании питания, может достигать нескольких сотен вольт.
При отсутствии защитного диода за счёт искрообразования происходит обгорание контактов реле контроллера СКУД и выход его из строя.
Внимание 2 (Блок питания)
Электромагнитные и электромеханические замки необходимо запитывать от отдельного источника питания. При использовании общего блока питания для замка и контроллера СКУД высоковольтные помехи на линии питания могут вызывать сбои в работе контроллера.
Провода питания вести отдельным кабелем для исключения влияния электромагнитных импульсов, генерируемых при срабатывании замков, на работу контроллера СКУД. В противном случае, большинством производителей контроллеров, не гарантируется стабильная работа контроллера СКУД.
Бренд | Smartec |
Исполнение | Уличное |
Тип замка | Электромеханическая защелка |
Вид замка | Врезной |
Назначение замка | На любой тип дверей, На дверь в квартиру, Стандартные двери |
Возможность открытия ключом | нет |
Встроенные датчики | Нет датчиков |
Тип блокировки | Нормально открытый (НО) |
Высота замка, мм | 100 |
Глубина замка, мм | 37 |
Ширина замка, мм | 21 |
Клавиатура | Нет |
Напряжение питания | 12 В |
Потребляемый ток, макс. | 230 мА |
Габариты | 100х21х37 мм |
Рабочая температура | от -25°C до +60°C |
Рабочая влажность | 10% - 99% |
Цвет | Металл |
Гарантия | 1 год |
Страна производства | Россия |
Функция «Быстрый заказ» позволяет покупателю не проходить всю процедуру оформления заказа самостоятельно. Вы заполняете форму, и через короткое время вам перезвонит менеджер магазина. Он уточнит все условия заказа, ответит на вопросы, касающиеся качества товара, его особенностей. А также подскажет о вариантах оплаты и доставки.
По результатам звонка, пользователь либо, получив уточнения, самостоятельно оформляет заказ, укомплектовав его необходимыми позициями, либо соглашается на оформление в том виде, в котором есть сейчас. Получает подтверждение на почту или на мобильный телефон и ждёт доставки.
Оформление заказа в стандартном режиме
Если вы уверены в выборе, то можете самостоятельно оформить заказ, заполнив по этапам всю форму.
Заполнение адреса
Выберите из списка название вашего региона и населённого пункта. Если вы не нашли свой населённый пункт в списке, выберите значение «Другое местоположение» и впишите название своего населённого пункта в графу «Город». Введите правильный индекс.
Доставка
В зависимости от места жительства вам предложат варианты доставки. Выберите любой удобный способ. Подробнее об условиях доставки читайте в разделе «Доставка».
Оплата
Выберите оптимальный способ оплаты. Подробнее о всех вариантах читайте в разделе «Оплата»
Покупатель
Введите данные о себе: ФИО, адрес доставки, номер телефона. В поле «Комментарии к заказу» введите сведения, которые могут пригодиться курьеру, например: подъезды в доме считаются справа налево.
Оформление заказа
Проверьте правильность ввода информации: позиции заказа, выбор местоположения, данные о покупателе. Нажмите кнопку «Оформить заказ».
Наш сервис запоминает данные о пользователе, информацию о заказе и в следующий раз предложит вам повторить к вводу данные предыдущего заказа. Если условия вам не подходят, выбирайте другие варианты.
Если Вы хотите узнать об условиях доставки и оплаты, но не желаете о них читать, то Вы можете позвонить любому нашему сотруднику, и он обязательно Вам поможет.
Покупка за безналичный расчет
При оплате за безналичный расчет наш сотрудник свяжется с Вами, чтобы подтвердить заказ и уточнить сроки и адрес доставки. После оформления заказа сотрудник нашей компании вышлет вам счет, по которому необходимо будет произвести оплату.
После оплаты заказа к Вам приедет наш курьер, который доставит ваш заказ.
Самостоятельно забрать заказ из пунктов самовывоза Вы можете после его оплаты по безналичному расчету. Оплата доставки до пунктов выдачи транспортных компаний производится по тарифам выбранной Вами транспортной компании непосредственно в месте получения заказа.
Самовывоз из офиса нашей компании в Зеленограде, так же возможен после предоплаты по безналичному расчету, и предварительной договоренности с менеджером.
Интернет-магазин выполняет доставку любого товара своей собственной Службой доставки.
Стоимость доставки курьером
Стоимость доставки по Москве, Все товары —750 руб., бесплатная доставка от 25000 руб
Стоимость доставки по Московской области рассчитывается для каждого заказа индивидуально и зависит от суммарного веса товаров заказа и удаленности адреса доставки.
Время доставки
Время доставки согласовывается с менеджером Службы доставки, который обязательно свяжется с вами сразу после того, как вы разместите свой заказ.
Для осуществления доставки в регионы России мы пользуемся услугами компаний СДЭК, ЖелДорЭкспедиция, Автотрейдинг, Деловые Линии. В таком случае, указанными кампаниями взимается стоимость доставки по их внутренним тарифам с заказчика при получении товара.
Самовывоз
Забрать товар самостоятельно и абсолютно бесплатно можно только по адресу: Москва, Зеленоград, Панфиловский проспект, дом 10.
Забрать товар самовывозом можно по любому из адресов самовывоза указанных здесь, стоимость доставки до пункта самовывоза рассчитывается для каждого заказа по тарифам транспортных компаний.





