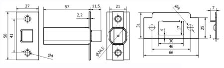
Замок-защёлка электромеханический врезной, миниатюрный, с малым током потребления, нормально-открытый.
Защёлка электромеханическая TS-EML300 предназначена для запирания распашных дверей, ворот и калиток, с возможностью их дистанционного открывания с помощью контроллеров систем контроля и управления доступом, аудио- и видеодомофонов, кодовых панелей. Защёлка может быть установлена для запирания любых деревянных, пластиковых, алюминиевых, железных дверей.
Комплектация:
• Защёлка электромеханическая: 1 шт.
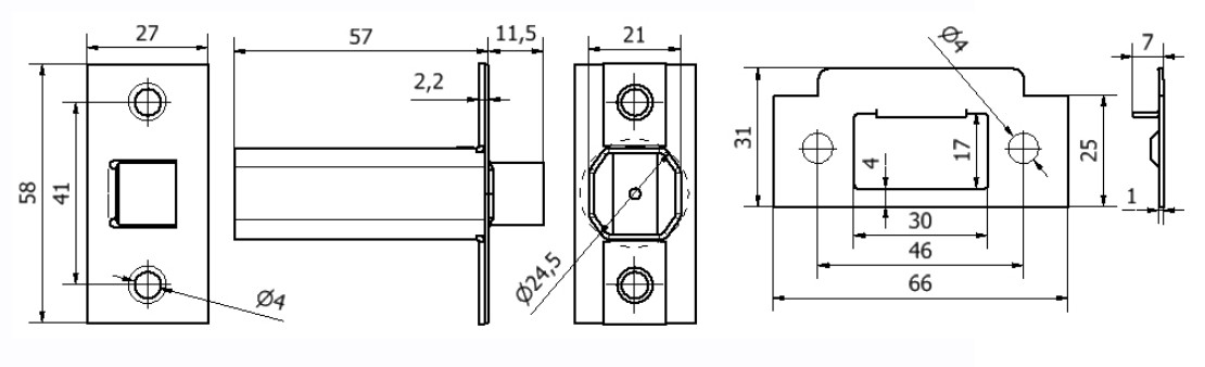
• Запорная планка: 1 шт.
• Саморез 3,5х32 DIN 7982: 2 шт .
• Саморез 3,9х32 DIN 7982: 2 шт .
• Руководство по эксплуатации: 1 шт .
• Шаблон для разметки: 1 шт.
TS-EML300 предельно прост в установке и может быть смонтирован:
• как в дверную раму, так и в дверное полотно
• на двери, открывающиеся как внутрь, так и наружу, правые и левые
• на двери как с притвором, так и без него
Климатические условия эксплуатации:
Температура окружающего воздуха: от -40 до +30 °С.
Относительная влажность воздуха не более 95% при 35°С и более низких температурах без конденсации влаги и образования инея.
Устойчивость к воздействию климатических факторов по ГОСТ 15150-69: УХЛ2.
Защёлка может устанавливаться снаружи помещения при условии, что в зимнее время года большую часть времени находится в закрытом состоянии (подано напряжение питания).
Характеристики:
• Усилие удержания 300 кг
• Тип замка нормально-открытый
• Напряжение питания постоянного тока 12 +/-2 В
• Потребляемый ток 85 мА
• Рабочая температура -40...+30°С
• Относительная влажность воздуха не более 95% при 35°С и более низких температурах без конденсации влаги и образования инея
• Масса замка 0,11 кг
Внимание 1 (Диод)
При подключении электромагнитных или электромеханических замков постоянного тока к контроллеру СКУД, их необходимо шунтировать диодами. Наиболее часто используется диод 1N4007.
Категорически запрещается использование замков с не подключёнными защитными диодами! ЭДС самоиндукции, возникающая на катушке замка при размыкании питания, может достигать нескольких сотен вольт.
При отсутствии защитного диода за счёт искрообразования происходит обгорание контактов реле контроллера СКУД и выход его из строя.
Внимание 2 (Блок питания)
Электромагнитные и электромеханические замки необходимо запитывать от отдельного источника питания. При использовании общего блока питания для замка и контроллера СКУД высоковольтные помехи на линии питания могут вызывать сбои в работе контроллера.
Провода питания вести отдельным кабелем для исключения влияния электромагнитных импульсов, генерируемых при срабатывании замков, на работу контроллера СКУД. В противном случае, большинством производителей контроллеров, не гарантируется стабильная работа контроллера СКУД.
Бренд | Tantos |
Исполнение | Уличное |
Тип замка | Электромеханический замок |
Вид замка | Накладной |
Назначение замка | На любой тип дверей, Для подъездных дверей, На дверь в квартиру, Стандартные двери, Для ворот, На калитку |
Усилие удержания якоря, не менее | 300 кг |
Возможность открытия ключом | нет |
Встроенные датчики | Нет датчиков |
Тип блокировки | Нормально открытый (НО) |
Клавиатура | Нет |
Напряжение питания | 12 В |
Потребляемый ток, макс. | 80 мА |
Рабочая температура | от -40°C до +30°C |
Цвет | Металл |
Гарантия | 1 год |
Страна производства | Россия |
Функция «Быстрый заказ» позволяет покупателю не проходить всю процедуру оформления заказа самостоятельно. Вы заполняете форму, и через короткое время вам перезвонит менеджер магазина. Он уточнит все условия заказа, ответит на вопросы, касающиеся качества товара, его особенностей. А также подскажет о вариантах оплаты и доставки.
По результатам звонка, пользователь либо, получив уточнения, самостоятельно оформляет заказ, укомплектовав его необходимыми позициями, либо соглашается на оформление в том виде, в котором есть сейчас. Получает подтверждение на почту или на мобильный телефон и ждёт доставки.
Оформление заказа в стандартном режиме
Если вы уверены в выборе, то можете самостоятельно оформить заказ, заполнив по этапам всю форму.
Заполнение адреса
Выберите из списка название вашего региона и населённого пункта. Если вы не нашли свой населённый пункт в списке, выберите значение «Другое местоположение» и впишите название своего населённого пункта в графу «Город». Введите правильный индекс.
Доставка
В зависимости от места жительства вам предложат варианты доставки. Выберите любой удобный способ. Подробнее об условиях доставки читайте в разделе «Доставка».
Оплата
Выберите оптимальный способ оплаты. Подробнее о всех вариантах читайте в разделе «Оплата»
Покупатель
Введите данные о себе: ФИО, адрес доставки, номер телефона. В поле «Комментарии к заказу» введите сведения, которые могут пригодиться курьеру, например: подъезды в доме считаются справа налево.
Оформление заказа
Проверьте правильность ввода информации: позиции заказа, выбор местоположения, данные о покупателе. Нажмите кнопку «Оформить заказ».
Наш сервис запоминает данные о пользователе, информацию о заказе и в следующий раз предложит вам повторить к вводу данные предыдущего заказа. Если условия вам не подходят, выбирайте другие варианты.
Если Вы хотите узнать об условиях доставки и оплаты, но не желаете о них читать, то Вы можете позвонить любому нашему сотруднику, и он обязательно Вам поможет.
Покупка за безналичный расчет
При оплате за безналичный расчет наш сотрудник свяжется с Вами, чтобы подтвердить заказ и уточнить сроки и адрес доставки. После оформления заказа сотрудник нашей компании вышлет вам счет, по которому необходимо будет произвести оплату.
После оплаты заказа к Вам приедет наш курьер, который доставит ваш заказ.
Самостоятельно забрать заказ из пунктов самовывоза Вы можете после его оплаты по безналичному расчету. Оплата доставки до пунктов выдачи транспортных компаний производится по тарифам выбранной Вами транспортной компании непосредственно в месте получения заказа.
Самовывоз из офиса нашей компании в Зеленограде, так же возможен после предоплаты по безналичному расчету, и предварительной договоренности с менеджером.
Интернет-магазин выполняет доставку любого товара своей собственной Службой доставки.
Стоимость доставки курьером
Стоимость доставки по Москве, Все товары —750 руб., бесплатная доставка от 25000 руб
Стоимость доставки по Московской области рассчитывается для каждого заказа индивидуально и зависит от суммарного веса товаров заказа и удаленности адреса доставки.
Время доставки
Время доставки согласовывается с менеджером Службы доставки, который обязательно свяжется с вами сразу после того, как вы разместите свой заказ.
Для осуществления доставки в регионы России мы пользуемся услугами компаний СДЭК, ЖелДорЭкспедиция, Автотрейдинг, Деловые Линии. В таком случае, указанными кампаниями взимается стоимость доставки по их внутренним тарифам с заказчика при получении товара.
Самовывоз
Забрать товар самостоятельно и абсолютно бесплатно можно только по адресу: Москва, Зеленоград, Панфиловский проспект, дом 10.
Забрать товар самовывозом можно по любому из адресов самовывоза указанных здесь, стоимость доставки до пункта самовывоза рассчитывается для каждого заказа по тарифам транспортных компаний.





