• Замок 170 серии – фалевая защёлка-ригель. 2 класс по EN 12209.
• Прижимная втулка под шток ручки.
• Литая защёлка и стальной гнутый ригель.
• Подходит для ручек коллекции Berlin на круглой розетке с межосевым расстоянием под стяжки ручек 38 мм.
Модели замков серии 170 – надежные дверные замки для межкомнатных деревянных дверей с продолжительным сроком службы. Замки этой серии сертифицированы в соответствии с нормой DIN 18251 класс 2. Универсальная защелка замка позволяет использовать замок для левосторонних и правосторонних дверей. Корпус замка изготовлен из оцинкованной листовой стали.
Металлическая защелка с ограничителем
• Усиленная конструкция, обеспечивающая длительный срок службы
• Регулировка защелки под левую и правую двери без инструмента
• Огнестойкость класса T30 – опционально
Корпус замка, изготовленный из оцинкованного листового металла
• Высокая коррозионная стойкость
• Может использоваться в помещениях с высокой влажностью
• Установка без использования смазки
• Не портит чувствительную поверхность смазкой
Защелка с механическим приводом (WZ)
• Защелка открывается поворотом ключа – без использования ручки
• Для дверной фурнитуры с круглой или обычной ручкой снаружи
3 распорные втулки между корпусом и крышкой
• Увеличивают надежность
• Расположение непосредственно вокруг отверстия под рукоятку предотвращает деформацию при установке комплектов розеток
Варианты исполнения замка:
BB – замки со стандартным ключом «буратино»
PZ – под европрофильный цилиндр без механического привода защелки (защёлка не убирается ключом)
WZ – под европрофильный цилиндр с механическим приводом защелки (защёлка убирается ключом). Огнестойкое исполнение – торцевая планка матовая нержавеющая сталь.
WC – замки для туалетных дверей и ванных комнат
Варианты торцевой планки – серебро и матовая нержавеющая сталь.
Доступные лицевые планки для замка:
• 235 x 20 x 3 (Стандартный комплект)
• 235 x 18 x 3 (Опционально)
Защелка регулируется под левую или правую дверь без специальных инструментов.
С этим замком обычно покупают – ответная планка арт. 51000397 (прям.) и 51000396 (скр.).
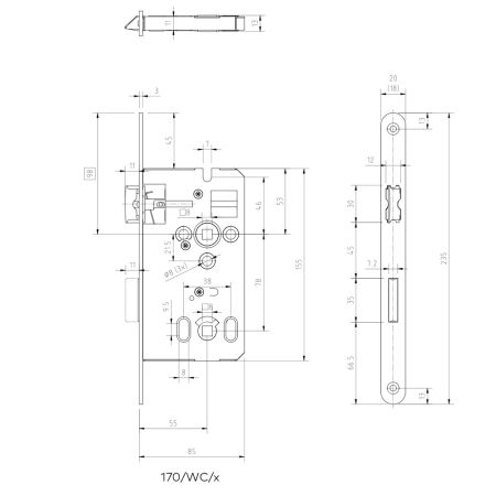
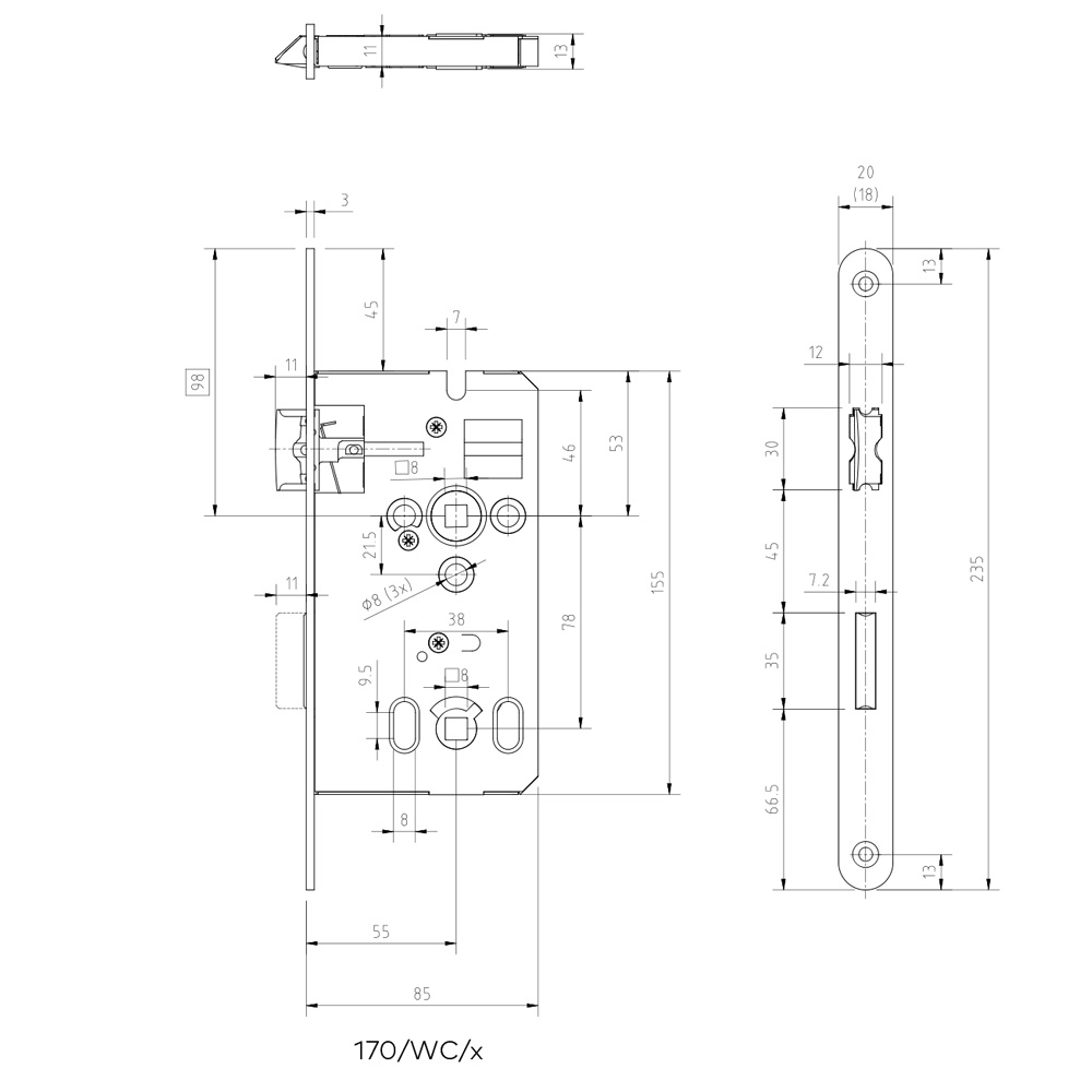
Технические характеристики:
• Применение: Для дверей внутри помещений весом до 40 кг, для туалетных дверей и ванных комнат
• Ригель:
- 2-ходовой ригель для моделей BB, WZ и PZ
- 1-ходовой ригель для модели WC
• Толщина корпуса замка Н 12+1 мм
• Межосевое расстояние:
- Ø PZ и WZ версии замка: 72 мм,
- Ø WC замки для туалетных дверей и ванных комнат: 78 мм
• Дормасс: 55 мм
• Ширина торцевой планки: 18,3 мм и 20 мм
• Поверхность корпуса и крышки замка: оцинкованная ELO
• Требования EN 12209, категория применения 3
Доступные модели:
Замок 170/WC 78/55/8 F=24 прям (51000610)
Замок 170/WC 78/55/8 F=24 прям.+отв.пл. (51000642+51000397)
Замок 170/WC 78/55/8 F=24 скр (51000611)
Замок 170/WC 78/55/8 F=24 скр.+отв.пл. (51000643+51000396)
Бренд | dormakaba |
Исполнение | Для помещений |
Тип замка | Механический замок |
Вид замка | Врезной |
Назначение замка | Для легких офисных дверей, На дверь в квартиру, Стандартные двери, Легкие межкомнатные двери |
Подходящая глубина двери | 38 мм |
Тип ключа | Вертушка |
Шток | 8 мм |
Бэксет (дорнмасс) | 55 мм |
Межосевое расстояние | 78 мм |
Материал корпуса | Оцинкованная сталь |
Длина замка, мм | 85 |
Высота замка, мм | 155 |
Ширина замка, мм | 12 |
Гарантия | 1 год |
Страна производства | Австрия |
Функция «Быстрый заказ» позволяет покупателю не проходить всю процедуру оформления заказа самостоятельно. Вы заполняете форму, и через короткое время вам перезвонит менеджер магазина. Он уточнит все условия заказа, ответит на вопросы, касающиеся качества товара, его особенностей. А также подскажет о вариантах оплаты и доставки.
По результатам звонка, пользователь либо, получив уточнения, самостоятельно оформляет заказ, укомплектовав его необходимыми позициями, либо соглашается на оформление в том виде, в котором есть сейчас. Получает подтверждение на почту или на мобильный телефон и ждёт доставки.
Оформление заказа в стандартном режиме
Если вы уверены в выборе, то можете самостоятельно оформить заказ, заполнив по этапам всю форму.
Заполнение адреса
Выберите из списка название вашего региона и населённого пункта. Если вы не нашли свой населённый пункт в списке, выберите значение «Другое местоположение» и впишите название своего населённого пункта в графу «Город». Введите правильный индекс.
Доставка
В зависимости от места жительства вам предложат варианты доставки. Выберите любой удобный способ. Подробнее об условиях доставки читайте в разделе «Доставка».
Оплата
Выберите оптимальный способ оплаты. Подробнее о всех вариантах читайте в разделе «Оплата»
Покупатель
Введите данные о себе: ФИО, адрес доставки, номер телефона. В поле «Комментарии к заказу» введите сведения, которые могут пригодиться курьеру, например: подъезды в доме считаются справа налево.
Оформление заказа
Проверьте правильность ввода информации: позиции заказа, выбор местоположения, данные о покупателе. Нажмите кнопку «Оформить заказ».
Наш сервис запоминает данные о пользователе, информацию о заказе и в следующий раз предложит вам повторить к вводу данные предыдущего заказа. Если условия вам не подходят, выбирайте другие варианты.
Если Вы хотите узнать об условиях доставки и оплаты, но не желаете о них читать, то Вы можете позвонить любому нашему сотруднику, и он обязательно Вам поможет.
Покупка за безналичный расчет
При оплате за безналичный расчет наш сотрудник свяжется с Вами, чтобы подтвердить заказ и уточнить сроки и адрес доставки. После оформления заказа сотрудник нашей компании вышлет вам счет, по которому необходимо будет произвести оплату.
После оплаты заказа к Вам приедет наш курьер, который доставит ваш заказ.
Самостоятельно забрать заказ из пунктов самовывоза Вы можете после его оплаты по безналичному расчету. Оплата доставки до пунктов выдачи транспортных компаний производится по тарифам выбранной Вами транспортной компании непосредственно в месте получения заказа.
Самовывоз из офиса нашей компании в Зеленограде, так же возможен после предоплаты по безналичному расчету, и предварительной договоренности с менеджером.
Интернет-магазин выполняет доставку любого товара своей собственной Службой доставки.
Стоимость доставки курьером
Стоимость доставки по Москве, Все товары —750 руб., бесплатная доставка от 25000 руб
Стоимость доставки по Московской области рассчитывается для каждого заказа индивидуально и зависит от суммарного веса товаров заказа и удаленности адреса доставки.
Время доставки
Время доставки согласовывается с менеджером Службы доставки, который обязательно свяжется с вами сразу после того, как вы разместите свой заказ.
Для осуществления доставки в регионы России мы пользуемся услугами компаний СДЭК, ЖелДорЭкспедиция, Автотрейдинг, Деловые Линии. В таком случае, указанными кампаниями взимается стоимость доставки по их внутренним тарифам с заказчика при получении товара.
Самовывоз
Забрать товар самостоятельно и абсолютно бесплатно можно только по адресу: Москва, Зеленоград, Панфиловский проспект, дом 10.
Забрать товар самовывозом можно по любому из адресов самовывоза указанных здесь, стоимость доставки до пункта самовывоза рассчитывается для каждого заказа по тарифам транспортных компаний.





