Считыватель PERCo-IR10.1 предназначен для считывания и расшифровки кода, занесенного в карту доступа и передачи его в контроллер, управляющий шлагбаумом.
Считыватель IR10.1 работает с бесконтактными картами доступа формата EM-Marin (EM-Marin IL-05ELR, ЕМ4100). Дальность считывания – до 100 см. Считыватель IR10.1 имеет интерфейс связи с контроллером СКУД – RS-485 или Wiegand.
Внимание! Считыватель не предназначен для использования внутри помещений. Люди с кардиостимуляторами должны быть осторожны, находясь в близости к устройствам данного типа.
Считыватель IR10.1 входит в состав автотранспортной проходной предназначенной для контроля проезда личного и служебного транспорта, работает совместно с контроллером шлагбаума.
Считыватель по устойчивости к воздействию климатических факторов соответствует условиям У1 по ГОСТ 15150-69 (для эксплуатации на открытом воздухе). Эксплуатация считывателя допускается при температуре окружающего воздуха от –40°С до +40°С и относительной влажности воздуха до 100% при +25°С.
Для установки считывателей предусмотрен кронштейн (входит в комплект поставки) и дополнительно поставляемая стойка BH03. Кронштейн и стойка рассчитаны на усиленную ветровую нагрузку и имеют антикоррозийное покрытие.
Стойка позволяет устанавливать считыватели на разных уровнях по высоте для удобства водителей как легковых, так и большегрузных транспортных средств.
К универсальным контроллерам CT/L04.2 и CT/L14 можно подключить до 8 считывателей дальнего действия IR10.1. Это позволяет использовать одновременно несколько считывателей на одно направление проезда транспортных средств. Такое решение удобно при необходимости установки считывателей на разных уровнях высоты – для легкового и грузового транспорта.
Стандартный комплект поставки:
• Считыватель: 1 шт.
• Кронштейн монтажный: 1 шт.
• Перемычка (джампер): 3 шт.
• Монтажный комплект:
- дюбель пластмассовый: 4 шт.
- шуруп: 4 шт.
• Паспорт и руководство по эксплуатации: 1 экз.
Дополнительное оборудование (не входит в комплект поставки):
• Стойка PERCo-BH-03
• Источник питания
Основные технические характеристики:
• Номинальное значение напряжения питания постоянного тока , В: 12
• Допустимые значения напряжения питания постоянного тока , В: 10,8–14
• Ток потребления, А: не более 1,1
• Потребляемая мощность, Вт: не более 14
• Интерфейс связи с контроллером: RS-485, Wiegand
• Дальности считывания:
- Для карт EM-Marin IL-05ELR, см: до 100
- Для карт EM-Marin ЕМ4100, см: до 70
• Рекомендуемая удаленность считывателя от контроллера не более: 40 м
• Максимальная удаленность считывателя от контроллера не более: 150 м
• Средний срок службы, лет: 8
• Класс защиты от поражения электрическим током: III по ГОСТ Р МЭК730-1-94
• Степень защиты оболочки: IP54 по EN 60529
• Габаритные размеры считывателя (с кронштейном в сборе), мм: 408х300х266
• Масса считывателя не более 1,6 кг
• Масса считывателя с кронштейном в сборе не более 2,5 кг
Устройство считывателя
Считыватель представляет собой блок в пластмассовом корпусе, на передней панели которого в правом верхнем углу расположены три индикатора: красный (вверху), желтый (в центре) и зеленый (внизу). Для крепления считывателя к поверхности в комплект поставки входит монтажный кронштейн. Защита электроники от негативных воздействий окружающей среды обеспечивается за счет установки защитной пластиковой пластины с герметизирующей прокладкой. Кабели для подключения считывателя выведены с его тыльной стороны.
Считыватель имеет встроенную звуковую индикацию. Считывание кода подтверждается кратковременным звуковым сигналом и кратковременным изменением состояния желтого (центрального) светового индикатора на противоположное (выключением, если горел и включением, если не горел).
На плате считывателя расположены три конфигурационные перемычки-джамперы (ХP1, ХP2 и ХP3) и одна перемычка-провод ХP5 – «отключение концевого резистора» (наличие перемычки – концевой резистор присутствует, при удалении (перекусывании) перемычки – концевой резистор отключен).
Принцип работы считывателя
Считыватели обеспечивают считывание кода с идентификаторов Proximity с рабочей частотой 125 кГц производства HID Corporation типа ProxCard II и ISOProx II (стандартных форматов HID: 26 бит (H10301), 37 бит (H10302, H10304)), а также идентификаторов IL-05ELR и ЕМ4100/4102 производства EM Microelectronic-Marin.
Считывание кода происходит при поднесении идентификатора к считывателю. Предельное расстояние, на котором считывателем обеспечивается считывание идентификаторов, зависит от типа идентификатора и составляет от 50 до 100 см. При этом идентификатор может находиться в кармане, в бумажнике или в любом другом радиопрозрачном контейнере (футляре).
Во включенном состоянии считыватель излучает вблизи себя низкочастотное (125 кГц) электромагнитное поле. Идентификатор, оказываясь в этом поле, активизируется и начинает передавать индивидуальный кодированный сигнал, принимаемый считывателем. Считыватель преобразует принятый сигнал в соответствии с требованиями используемого для связи с внешним устройством протокола и передает полученный код идентификатора в контроллер исполнительного устройства по интерфейсам RS-485 или Wiegand.
Данные передаются внешнему контроллеру однократно, в момент первого достоверного приема сигнала от идентификатора. Повторная передача данных возможна не ранее чем через 500 мс после выхода идентификатора из зоны устойчивого приема.
Монтаж
• Монтаж и техническое обслуживание должны проводиться лицами, полностью изучившими данное руководство.
• Монтаж считывателя должен производиться специалистом- электромонтажником.
• При монтаже считывателя пользуйтесь только исправным инструментом.
• Подключение считывателя производится только при отключенном от сети источнике питания.
• Прокладку кабелей необходимо производить с соблюдением правил эксплуатации электротехнических установок.
Особенности монтажа
Считыватели рекомендуется монтировать в непосредственной близости от исполнительного устройства. При определении места установки считывателя необходимо учитывать, что:
• при установке считывателя на металлическую стойку, сечение этой стойки должно быть не более чем 60×60 мм;
• при установке считывателя на железобетонную стену, ее металлический каркас может уменьшить дальность считывания карт, поэтому может потребоваться отнести считыватель от стены на расстояние до 1 м;
• взаимное удаление двух считывателей друг от друга должно составлять:
- в торцевой плоскости, м: не менее 0,5
- в лицевой плоскости, м: не менее 3
• близко расположенные источники электрических помех уменьшают дальность считывания карт, поэтому нельзя устанавливать считыватель на расстоянии менее 2 м от мониторов ЭВМ, электрогенераторов, электродвигателей, реле переменного тока, тиристорных регуляторов света, линий передач переменного тока, компьютерных и телефонных сигналов, а его кабель – прокладывать ближе 30 см от них;
• близко расположенные металлические конструкции уменьшают дальность считывания карт, поэтому нельзя устанавливать считыватель на расстоянии менее 1 м от них.
Порядок монтажа
При монтаже считывателя придерживайтесь следующей последовательности действий:
1. Распакуйте коробку и проверьте комплектность считывателя согласно разделу «Комплект поставки».
2. При необходимости измените конфигурацию считывателя.
Внимание! При снятии задней стенки корпуса считывателя будьте осторожны! Не повредите проходящие через отверстие в задней стенки кабели питания и передачи данных, а так же герметизирующую прокладку.
2.1.Снимите монтажный кронштейн. Для этого отверните четыре винта, крепящие монтажный кронштейн к корпусу считывателя. 2.2.Снимите заднюю стенку корпуса с герметизирующей прокладкой.
2.3.При подключении по интерфейсу RS-485 установите номер считывателя, используя перемычки XP1, XP2, XP3 на плате считывателя. Если данный считыватель не является конечным устройством на линии связи интерфейса RS-485, то необходимо отключить на нем концевой резистор, для этого перекусите перемычку- провод ХP5. Учтите, что в этом случае необходимо будет установить концевые резисторы по реальным концам линии связи интерфейса RS485. При подключении к контроллеру по интерфейсу RS-485 нескольких устройств линия связи подводится последовательно ко всем устройствам.
2.4.При подключении по интерфейсу Wiegand по умолчанию установлен вариант управления светодиодной индикацией считывателя «double line». Если необходимо изменить вариант управления индикацией на «single line», установите перемычку ХP1.
2.5.Установите заднюю стенку с герметизирующей прокладкой и монтажный кронштейн на место после чего закрепите их к корпусу считывателя четырьмя винтами.
3. Определите место установки считывателя.
Примечание: Рекомендуется предварительно опытным путем выбрать оптимальное место установки считывателя с точки зрения дальности считывания карт, а потом уже крепить его к установочной поверхности.
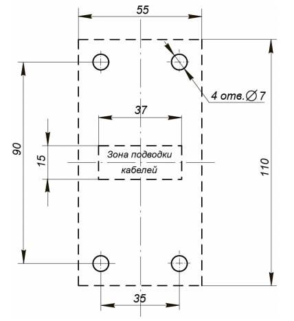
4. Произведите разметку и разделку отверстий на установочной поверхности для крепления монтажного кронштейна и проводки кабелей.

5. Пропустите кабели считывателя через предназначенные для них отверстия в монтажном кронштейне и на установочной поверхности. Закрепите считыватель на установочной поверхности с помощью четырех шурупов из комплекта поставки.
6. Проложите кабели, закрепите их и подключите к контроллеру СКУД.
Примечания:
• При подключении по интерфейсу Wiegand переключение формата выходных данных рекомендуется осуществить непосредственно в месте соединения штатного кабеля считывателя с удлиняющим кабелем.
• Для защиты кабелей считывателя рекомендуется использовать гофрошланг.
При подключении по интерфейсу Wiegand, рекомендуемый тип кабеля между считывателем и контроллером многожильный сигнальный кабель с сечением сечением 24AWG – 18AWG (от 0,2 до 0,8 мм2).
Производители не рекомендуют подключать считыватели с интерфейсом Wiegand витой парой.
Бренд считывателя | PERCo |
Тип считывателя | Для СКУД, Считыватель дальнего действия |
Вид считывателя | Бесконтактный RFID |
Исполнение | Уличное |
Материал корпуса | Пластик |
Интерфейс связи с контроллером | RS-485, Wiegand-26, Wiegand-37, Wiegand-42 |
Количество поддерживаемых форматов | Одноформатный |
Поддерживаемые форматы | Em-Marine |
Тип монтажа | Накладной |
Рабочая частота | 125 - 134 кГц (LF) |
Дальность считывания | от 60 до 120 см |
Клавиатура | Нет |
Индикация | Световая/Звуковая |
Напряжение питания | 12 В |
Потребляемая мощность, макс. | 14 Вт |
Потребляемый ток, макс. | 1.1 А |
Габариты | 408х300х266 мм |
Вес, кг | 1.6 |
Рабочая температура | от -40°C до +40°C |
Рабочая влажность | до 100% |
Класс защиты (IP) | IP54 |
Цвет | Серый |
Сертификаты | Транспортной безопасности |
Гарантия | 5 лет |
Страна производства | Россия |
Функция «Быстрый заказ» позволяет покупателю не проходить всю процедуру оформления заказа самостоятельно. Вы заполняете форму, и через короткое время вам перезвонит менеджер магазина. Он уточнит все условия заказа, ответит на вопросы, касающиеся качества товара, его особенностей. А также подскажет о вариантах оплаты и доставки.
По результатам звонка, пользователь либо, получив уточнения, самостоятельно оформляет заказ, укомплектовав его необходимыми позициями, либо соглашается на оформление в том виде, в котором есть сейчас. Получает подтверждение на почту или на мобильный телефон и ждёт доставки.
Оформление заказа в стандартном режиме
Если вы уверены в выборе, то можете самостоятельно оформить заказ, заполнив по этапам всю форму.
Заполнение адреса
Выберите из списка название вашего региона и населённого пункта. Если вы не нашли свой населённый пункт в списке, выберите значение «Другое местоположение» и впишите название своего населённого пункта в графу «Город». Введите правильный индекс.
Доставка
В зависимости от места жительства вам предложат варианты доставки. Выберите любой удобный способ. Подробнее об условиях доставки читайте в разделе «Доставка».
Оплата
Выберите оптимальный способ оплаты. Подробнее о всех вариантах читайте в разделе «Оплата»
Покупатель
Введите данные о себе: ФИО, адрес доставки, номер телефона. В поле «Комментарии к заказу» введите сведения, которые могут пригодиться курьеру, например: подъезды в доме считаются справа налево.
Оформление заказа
Проверьте правильность ввода информации: позиции заказа, выбор местоположения, данные о покупателе. Нажмите кнопку «Оформить заказ».
Наш сервис запоминает данные о пользователе, информацию о заказе и в следующий раз предложит вам повторить к вводу данные предыдущего заказа. Если условия вам не подходят, выбирайте другие варианты.
Если Вы хотите узнать об условиях доставки и оплаты, но не желаете о них читать, то Вы можете позвонить любому нашему сотруднику, и он обязательно Вам поможет.
Покупка за безналичный расчет
При оплате за безналичный расчет наш сотрудник свяжется с Вами, чтобы подтвердить заказ и уточнить сроки и адрес доставки. После оформления заказа сотрудник нашей компании вышлет вам счет, по которому необходимо будет произвести оплату.
После оплаты заказа к Вам приедет наш курьер, который доставит ваш заказ.
Самостоятельно забрать заказ из пунктов самовывоза Вы можете после его оплаты по безналичному расчету. Оплата доставки до пунктов выдачи транспортных компаний производится по тарифам выбранной Вами транспортной компании непосредственно в месте получения заказа.
Самовывоз из офиса нашей компании в Зеленограде, так же возможен после предоплаты по безналичному расчету, и предварительной договоренности с менеджером.
Интернет-магазин выполняет доставку любого товара своей собственной Службой доставки.
Стоимость доставки курьером
Стоимость доставки по Москве, Все товары —750 руб., бесплатная доставка от 25000 руб
Стоимость доставки по Московской области рассчитывается для каждого заказа индивидуально и зависит от суммарного веса товаров заказа и удаленности адреса доставки.
Время доставки
Время доставки согласовывается с менеджером Службы доставки, который обязательно свяжется с вами сразу после того, как вы разместите свой заказ.
Для осуществления доставки в регионы России мы пользуемся услугами компаний СДЭК, ЖелДорЭкспедиция, Автотрейдинг, Деловые Линии. В таком случае, указанными кампаниями взимается стоимость доставки по их внутренним тарифам с заказчика при получении товара.
Самовывоз
Забрать товар самостоятельно и абсолютно бесплатно можно только по адресу: Москва, Зеленоград, Панфиловский проспект, дом 10.
Забрать товар самовывозом можно по любому из адресов самовывоза указанных здесь, стоимость доставки до пункта самовывоза рассчитывается для каждого заказа по тарифам транспортных компаний.





