Тумбовые турникеты-триподы предназначены для ограничения доступа на предприятиях и разграничения потока людей по одному. Таким образом, при использовании турникетов, формируется зона прохода, избавляющая от необходимости устанавливать дополнительные ограждения. Основным достоинством таких турникетов является наличие преграждающих планок «Антипаника», которые позволяют обеспечить массовый выход людей из здания в случае чрезвычайной ситуации.
Благодаря указанным выше свойствам, тумбовые турникеты применяются в местах большого потока людей. К примеру, на стадионах, где турникет позволяет разделять поток по одному, и препятствует возникновению давки. Также тумбовые турникеты широко применяются на транспортных терминалах, в банках, магазинах и на больших предприятиях.
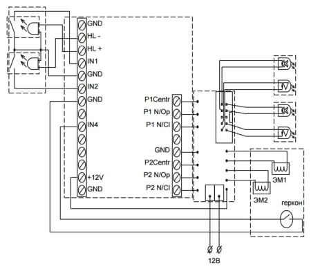
В турникет встроены светодиодные индикаторы, служащие для отображения состояния турникета. Зеленый свет говорит о том, что турникет открыт и проход разрешен, красный – турникет закрыт.
Для автономного управления турникетом используется специальный пульт управления. Так как турникет AR-GO является закрытым устройством, он будет разблокирован в случае подачи сигнала, разрешающего проход.
Также, турникетом можно управлять с помощью системы контроля и управления доступом (далее СКУД), при помощи контролера СКУД. Возможность выбора позволяет обеспечить правильную работу турникета в СКУД практически всех производителей, а также применять замковые контроллеры, т.к. их выходы поддерживает потенциальный режим управления. От контроллера СКУД обеспечивается гальваническая развязка выходов турникета.
В случае экстренной необходимости, турникет можно открыть ключом механической разблокировки. Механический замок встроен в стойку турникета. В случае чрезвычайных ситуаций или по другим причинам, с помощью преграждающей планки «Антипаника» также можно освободить проход для массовой эвакуации. Для этого не требуется использовать ключ.
Тумбовые турникеты-триподы AR-GO безопасны для человека. Они обладают низким электропотреблением, соответственно данный турникет потребляет безопасное для человека напряжение. А гидравлический демпфер обеспечивает плавность работы механизма. Триподы "тумбового" типа позволяют сэкономить на внешнем ограждении, поскольку его роль играет корпус турникета.
Турникет предназначен для эксплуатации в закрытых отапливаемых или не- отапливаемых помещениях при температуре окружающей среды от +1ºС до +45º С и относительной влажности воздуха не более 70% без конденсата. Турникет управляется с ручного пульта, или подключается к СКД. По условиям применения электромеханические турникеты соответствуют группе УХЛ4.2 по ГОСТ 15150-69.
Комплект поставки:
• Стойка турникета: 1 шт.
• Штанги "антипаника": 3 шт.
• Пульт управления 2-х кнопочный с индикацией (с кабелем): 1 шт.
• Ключ разблокировки: 1 шт.
• Паспорт: 1 шт.
• Инструкция по установке: 1 шт.
В комплект поставки не входят и приобретаются отдельно:
• Блок питания
• Анкера
• Аккумулятор
Особенности турникета:
• Управление от пульта управления
• Встроенные светодиоды, показывающие направление прохода
• Безопасное для человека напряжение электропитания
• Низкое энергопотребление
• Возможность механической разблокировки ключом в экстренных ситуациях
• Плавность работы механизма обеспечивает гидравлический демпфер
Технические характеристики:
• Напряжение питания (переменного тока): 12 В
• Вес турникета, кг: 25
• Габаритные размеры, мм: 1280х995х820
• Ширина перекрытия прохода, мм: 900
• Ширина зоны прохода, мм: 600
• Пропускная способность в режиме однократного прохода: 30 чел/мин
• Пропускная способность в режиме свободного прохода: 60 чел/мин
• Корпус: окрашенная сталь, нержавеющая сталь
• Средняя наработка на отказ: не менее 1 000 000 проходов
Варианты исполнения:
P – крашеный, цвет - серебряный антик;
G – шлифованная нержавеющая сталь;
М – зеркальная нержавеющая сталь;
S – уличное исполнение.
Основные элементы тумбового турникета серии TRT-14-01

1. Замок механической разблокировки
2. Механизм электромеханической фиксации
3. Светодиодные указатели
4. Преграждающие планки
5. Поворотный механизм для крепления преграждающих планок
6. Поперечина турникета
7. Стойки турникета
Бренд турникета | AR-GO |
Вид турникета | Турникет |
Тип турникета | Трипод |
Тип корпуса турникета | Однопроходной, Тумбовый, Напольный |
Тип привода турникета | Электромеханический |
Исполнение турникета | Для помещений |
Материал корпуса турникета | Нержавеющая сталь |
Преграждающие планки/створки | Антипаника, в комплекте |
Антипаника | Механическая |
Тип блокировки | Нормально закрытый (НЗ) |
Встроенный картоприемник | Нет |
Встроенные считыватели | Без считывателей |
Пропускная способность | 20 чел/мин |
Пульт управления | 1 шт. в комплекте |
Напряжение питания | 220 В |
Потребляемый ток, макс. | 2 А |
Габариты | 1280х995х820 мм |
Ширина перекрываемого прохода | 900 мм |
Ширина прохода | 600 мм |
Вес, кг | 25 |
Рабочая температура | от +1°C до +40°C |
Рабочая влажность | не выше 70% |
Средний срок службы | Не менее 5 лет |
Гарантия | 2 года |
Страна производства | Россия |
Функция «Быстрый заказ» позволяет покупателю не проходить всю процедуру оформления заказа самостоятельно. Вы заполняете форму, и через короткое время вам перезвонит менеджер магазина. Он уточнит все условия заказа, ответит на вопросы, касающиеся качества товара, его особенностей. А также подскажет о вариантах оплаты и доставки.
По результатам звонка, пользователь либо, получив уточнения, самостоятельно оформляет заказ, укомплектовав его необходимыми позициями, либо соглашается на оформление в том виде, в котором есть сейчас. Получает подтверждение на почту или на мобильный телефон и ждёт доставки.
Оформление заказа в стандартном режиме
Если вы уверены в выборе, то можете самостоятельно оформить заказ, заполнив по этапам всю форму.
Заполнение адреса
Выберите из списка название вашего региона и населённого пункта. Если вы не нашли свой населённый пункт в списке, выберите значение «Другое местоположение» и впишите название своего населённого пункта в графу «Город». Введите правильный индекс.
Доставка
В зависимости от места жительства вам предложат варианты доставки. Выберите любой удобный способ. Подробнее об условиях доставки читайте в разделе «Доставка».
Оплата
Выберите оптимальный способ оплаты. Подробнее о всех вариантах читайте в разделе «Оплата»
Покупатель
Введите данные о себе: ФИО, адрес доставки, номер телефона. В поле «Комментарии к заказу» введите сведения, которые могут пригодиться курьеру, например: подъезды в доме считаются справа налево.
Оформление заказа
Проверьте правильность ввода информации: позиции заказа, выбор местоположения, данные о покупателе. Нажмите кнопку «Оформить заказ».
Наш сервис запоминает данные о пользователе, информацию о заказе и в следующий раз предложит вам повторить к вводу данные предыдущего заказа. Если условия вам не подходят, выбирайте другие варианты.
Если Вы хотите узнать об условиях доставки и оплаты, но не желаете о них читать, то Вы можете позвонить любому нашему сотруднику, и он обязательно Вам поможет.
Покупка за безналичный расчет
При оплате за безналичный расчет наш сотрудник свяжется с Вами, чтобы подтвердить заказ и уточнить сроки и адрес доставки. После оформления заказа сотрудник нашей компании вышлет вам счет, по которому необходимо будет произвести оплату.
После оплаты заказа к Вам приедет наш курьер, который доставит ваш заказ.
Самостоятельно забрать заказ из пунктов самовывоза Вы можете после его оплаты по безналичному расчету. Оплата доставки до пунктов выдачи транспортных компаний производится по тарифам выбранной Вами транспортной компании непосредственно в месте получения заказа.
Самовывоз из офиса нашей компании в Зеленограде, так же возможен после предоплаты по безналичному расчету, и предварительной договоренности с менеджером.
Интернет-магазин выполняет доставку любого товара своей собственной Службой доставки.
Стоимость доставки курьером
Стоимость доставки по Москве, Все товары —750 руб., бесплатная доставка от 25000 руб
Стоимость доставки по Московской области рассчитывается для каждого заказа индивидуально и зависит от суммарного веса товаров заказа и удаленности адреса доставки.
Время доставки
Время доставки согласовывается с менеджером Службы доставки, который обязательно свяжется с вами сразу после того, как вы разместите свой заказ.
Для осуществления доставки в регионы России мы пользуемся услугами компаний СДЭК, ЖелДорЭкспедиция, Автотрейдинг, Деловые Линии. В таком случае, указанными кампаниями взимается стоимость доставки по их внутренним тарифам с заказчика при получении товара.
Самовывоз
Забрать товар самостоятельно и абсолютно бесплатно можно только по адресу: Москва, Зеленоград, Панфиловский проспект, дом 10.
Забрать товар самовывозом можно по любому из адресов самовывоза указанных здесь, стоимость доставки до пункта самовывоза рассчитывается для каждого заказа по тарифам транспортных компаний.

















