у нашего специалиста и он
подберет вам аналогЗаказать звонок
Центральная колонна Ø 89мм с 11 прямыми штангами Ø 40мм, корпус турникета из нержавеющей стали AISI 304, покраска в RAL, класс защиты корпуса IP33, внутренних компонентов IP43, 220 В, установка на готовый пол.
Предназначен для установки на улице.
Комплект поставки:
• Турникет, сервопривод тип 2
• Комплект светофоров Красн/Зелен (на обе стороны)
• Программный переключатель OPL05 с корпусом
• Установочный набор для установки на чистый пол
• Монтажный набор
• Упаковка
Прочные и надежные полноростовые турникеты с роторным механизмом Kentaur оптимально подходят для защиты территории и зданий.
Семейство продуктов для ограждения Kentaur имеет модульную структуру. Серия объединяет более десяти видов исполнений устройств – с двумя, тремя и четырьмя створками, трехлопастные, со штангами или дугами, и все они свободно комбинируются между собой. Такая политика позволяет каждому клиенту максимально эффективно использовать нашу продукцию, подобрать и купить идеальные полноростовые турникеты для проходной завода, офисов банка, государственного учреждения, мероприятий на открытом воздухе и уличных гуляний или любых других объектов, оснастив их удобной и безопасной системой контроля доступа.
Большой выбор моделей позволяет создавать индивидуальные комбинации из нескольких устройств. В коллекции Kentaur есть варианты турникетов с дверью для велосипедов, встроенной дверью, функцией эвакуационного выхода или классом устойчивости ко взлому WK2. Для защиты от проникновения и атмосферных воздействий турникеты и вращающиеся двери могут быть дополнительно оборудованы крышами.
Компания dormakaba производит крыши для всех установок серии Kentaur – простых, многопозиционных или компактных двойных. Тихий энергосберегающий привод расходует электроэнергию на самом низком уровне, а скорость его работы регулируется в зависимости от скорости проходящих людей. Kentaur совмещает в себе надежную защиту с безопасностью использования. Люди не могут быть заблокированы или зажаты в сегментах турникета Kentaur благодаря разработанной dormakaba системе блокировки в граничных положениях. После деблокировки вращение можно в любое время остановить (вплоть до половинного положения) и повернуть обратно. Если турникет достиг более чем половинного положения вращения, то из установки можно выйти только в направлении деблокировки.
Особенности
• Пропускная способность – до 20 человек в минуту
• Безопасный проход благодаря системе блокировки в граничных положениях
• Модульные сочетания штанг, крыш, направляющих и заграждающих элементов
• Предназначены для использования внутри и вне помещений
• Колонна турникета и штанги выполнены из прочной нержавеющей стали
• Скорость вращения регулируется в зависимости от скорости проходящих людей
• Энергосберегающий привод
• Возможность свободного выбора режима работы при отказе питания
• Возможно использование в зонах с агрессивными факторами воздействия окружающей среды
• Встроенный настраиваемый генератор случайных чисел
• Возможна двойная идентификация для дополнительной безопасности
• Система управления встроена в установку
Бренд турникета | dormakaba |
Вид турникета | Турникет |
Тип турникета | Полноростовой |
Тип корпуса турникета | Однопроходной, Напольный |
Тип привода турникета | Роторный |
Исполнение турникета | Уличное (без навеса) |
Материал корпуса турникета | Нержавеющая сталь |
Преграждающие планки/створки | Стандартные, в комплекте |
Тип блокировки | Нормально закрытый (НЗ) |
Встроенный картоприемник | Нет |
Встроенные считыватели | Без считывателей |
Пропускная способность | 20 чел/мин |
Пульт управления | Приобретается отдельно |
Дополнительные интерфейсы | RS-232 |
Напряжение питания | 220 В |
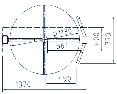
Габариты | 1370х1130х2270 мм |
Ширина перекрываемого прохода | 1370 мм |
Ширина прохода | 490 мм |
Высота прохода | 2060 мм |
Класс защиты (IP) | IP43 |
Цвет | Металл |
Наработка на отказ, не менее | 2 млн. циклов |
Гарантия | 1 год |
Страна производства | Германия |
Функция «Быстрый заказ» позволяет покупателю не проходить всю процедуру оформления заказа самостоятельно. Вы заполняете форму, и через короткое время вам перезвонит менеджер магазина. Он уточнит все условия заказа, ответит на вопросы, касающиеся качества товара, его особенностей. А также подскажет о вариантах оплаты и доставки.
По результатам звонка, пользователь либо, получив уточнения, самостоятельно оформляет заказ, укомплектовав его необходимыми позициями, либо соглашается на оформление в том виде, в котором есть сейчас. Получает подтверждение на почту или на мобильный телефон и ждёт доставки.
Оформление заказа в стандартном режиме
Если вы уверены в выборе, то можете самостоятельно оформить заказ, заполнив по этапам всю форму.
Заполнение адреса
Выберите из списка название вашего региона и населённого пункта. Если вы не нашли свой населённый пункт в списке, выберите значение «Другое местоположение» и впишите название своего населённого пункта в графу «Город». Введите правильный индекс.
Доставка
В зависимости от места жительства вам предложат варианты доставки. Выберите любой удобный способ. Подробнее об условиях доставки читайте в разделе «Доставка».
Оплата
Выберите оптимальный способ оплаты. Подробнее о всех вариантах читайте в разделе «Оплата»
Покупатель
Введите данные о себе: ФИО, адрес доставки, номер телефона. В поле «Комментарии к заказу» введите сведения, которые могут пригодиться курьеру, например: подъезды в доме считаются справа налево.
Оформление заказа
Проверьте правильность ввода информации: позиции заказа, выбор местоположения, данные о покупателе. Нажмите кнопку «Оформить заказ».
Наш сервис запоминает данные о пользователе, информацию о заказе и в следующий раз предложит вам повторить к вводу данные предыдущего заказа. Если условия вам не подходят, выбирайте другие варианты.
Если Вы хотите узнать об условиях доставки и оплаты, но не желаете о них читать, то Вы можете позвонить любому нашему сотруднику, и он обязательно Вам поможет.
Покупка за безналичный расчет
При оплате за безналичный расчет наш сотрудник свяжется с Вами, чтобы подтвердить заказ и уточнить сроки и адрес доставки. После оформления заказа сотрудник нашей компании вышлет вам счет, по которому необходимо будет произвести оплату.
После оплаты заказа к Вам приедет наш курьер, который доставит ваш заказ.
Самостоятельно забрать заказ из пунктов самовывоза Вы можете после его оплаты по безналичному расчету. Оплата доставки до пунктов выдачи транспортных компаний производится по тарифам выбранной Вами транспортной компании непосредственно в месте получения заказа.
Самовывоз из офиса нашей компании в Зеленограде, так же возможен после предоплаты по безналичному расчету, и предварительной договоренности с менеджером.
Интернет-магазин выполняет доставку любого товара своей собственной Службой доставки.
Стоимость доставки курьером
Стоимость доставки по Москве, Все товары —750 руб., бесплатная доставка от 25000 руб
Стоимость доставки по Московской области рассчитывается для каждого заказа индивидуально и зависит от суммарного веса товаров заказа и удаленности адреса доставки.
Время доставки
Время доставки согласовывается с менеджером Службы доставки, который обязательно свяжется с вами сразу после того, как вы разместите свой заказ.
Для осуществления доставки в регионы России мы пользуемся услугами компаний СДЭК, ЖелДорЭкспедиция, Автотрейдинг, Деловые Линии. В таком случае, указанными кампаниями взимается стоимость доставки по их внутренним тарифам с заказчика при получении товара.
Самовывоз
Забрать товар самостоятельно и абсолютно бесплатно можно только по адресу: Москва, Зеленоград, Панфиловский проспект, дом 10.
Забрать товар самовывозом можно по любому из адресов самовывоза указанных здесь, стоимость доставки до пункта самовывоза рассчитывается для каждого заказа по тарифам транспортных компаний.













