Выпускаемые модели полноростовых двухпроходных четырехлопастных турникетов-шлюзов представлены ниже:
• «Ростов-Дон ПР2Ш/4М2» Турникет-шлюз из крашеной стали внутреннего исполнения
• «Ростов-Дон ПР2Ш/4М2-У»> Турникет-шлюз из крашеной стали уличного исполнения
• «Ростов-Дон ПР2Ш/4М2-Нерж» Турникет-шлюз из нержавеющей стали уличного исполнения
Лопасть представляет собой группу штанг (преграждающих планок), расположенных друг над другом в одной плоскости.
Турникеты управляются с пульта дистанционного управления (ПДУ) и обеспечивают пропуск в любом из двух направлений как по одному человеку, так и группы людей.
Полноростовые турникеты-шлюзы «Ростов-Дон» широко используются для организации прохода на предприятиях повышенной режимности.
После входа в шлюз человек оказывается в замкнутом пространстве, выход из которого возможен только после прохождения процедуры проверки. Вход в шлюз может быть организован различными способами: автоматически после проверки идентификатора личности (электронной карты, биологического признака и др.), от пульта охранника и др.
Преимуществом двухпроходного турникета перед двумя однопроходными турникетами является то, что при одинаковой пропускной способности двухпроходной турникет немного дешевле и, главное, требует на 30-40% меньше места (ширина двух однопроходных турникетов составляет 1,5 + 1,5 = 3,0 м, а ширина двухпроходного турникета 2,21 м).
Турникеты-шлюзы универсальны и могут работать после перестановки ограничителей прохода и как шлюз, и как турникет.
Типовой комплект поставки:
• Турникет-шлюз: 1 шт.
• Пульт дистанционного управления (ПДУ): 2 шт.
• Источник питания системы подогрева уличного турникета 24В, 3А: 2 шт.
• Штанги: 72 шт.
• Монтажные болты для режима турникета: 8 шт.
• Ключи расфиксации турникетов: 4 шт.
• Паспорт. Руководство по эксплуатации: 1 шт.
Турникеты могут быть легко встроены в систему контроля и управления доступом, для чего предусмотрены специальные входные и выходные цепи.
По условиям применения турникеты соответствуют группе УХЛ 4.2 по ГОСТ 15150-69 и предназначены для эксплуатации внутри помещения при температуре от +1 до +50°С. Турникеты уличного исполнения соответствуют группе УХЛ 2 по ГОСТ 15150-69 и предназначены для эксплуатации вне помещения при температуре от -40 °С до +50°С.Турникеты уличного исполнения имеют двойное покрытие плат электроники лаком, систему электроподогрева механизма турникета, крашеные турникеты покрываются цинкосодержащим защитным слоем с последующей покраской в нужный цвет по RAL, класс защиты IP43.
Преимущества полноростовых турникетов «Ростов-Дон»:
• возможность стыковки с полноростовым ограждением;
• нетравматичная конструкция (четкая фиксация лопастей после каждого прохода);
• четырехлопастное исполнение турникета обеспечивает строгое разделение потока посетителей по одному;
• высокая пропускная способность (до 80 чел./мин.);
• проход как по одному человеку, так и свободный проход группы людей;
• управление от системы контроля доступа, пульта дистанционного управления или системы радиоуправления;
• совместимость турникета с системами СКУД ведущих российских и зарубежных производителей
• antipassback (запрет обратного движения сразу после подачи в СКУД сигнала о факте прохода)
• встроенный гидромеханический доводчик (плавная работа механизма вращения);
• нормально открытый режим работы (блокировка механизма поворота происходит только при нарушении правил прохода);
• звуковая сигнализация, срабатывающая при попытке несанкционированного прохода;
• освещение зоны прохода, световая индикация;
• механический замок для блокировки турникета при отсутствии питания;
• корпус турникета изготовлен из стали, окрашенной порошковым методом, стандартный цвет – «белый антик».
Технические данные:
Тип турникета - полноростовый шлюзовый роторный двойной четырехлопастной для прохода в двух направлениях, нормально открытый с режимом пропуска одного человека по пропуску или от пульта охранника. Для запирания турникета при отсутствии питания предусмотрена блокировка турникета с помощью ключа.
Электрические параметры схем управления и индикации:
• Напряжение питания, В: 12+/-2
• Потребляемая мощность, не более, Вт: 84
• Электрические параметры системы электроподогрева:
• Напряжение питания, В: 24+/-10%
• Потребляемая мощность, не более, Вт: 120
• Масса турникета, кг: 441
• Габаритные размеры, мм: 2270х1600х2250
• Высота прохода, мм: 2050
• Ширина прохода, не менее, мм: 455
• Число лопастей (рядов преграждающих штанг): 4
• Длина штанг, мм: 600
• Допустимые статические усилия на преграждающую лопасть на середине; не более, кгс: 200
• Усилие поворота центральной стойки на середине лопасти, не более, кгс: 5
• Средняя наработка на отказ, проходов: 2 000 000
• Пропускная способность при однократном проходе, не менее, проходов/мин.:
- в режиме шлюза: 30
- в режиме турникета: 60
• Пропускная способность при свободном проходе, не менее, проходов/мин.: 80
• Максимальная длина кабеля от БЭУ к ПДУ, м: 50 (стандартная длина 10м)
• Максимальная длина кабеля от БЭУ к источнику питания, м: 20 (стандартная длина 15м)
• Срок эксплуатации, лет: 10
Устройство и принцип работы
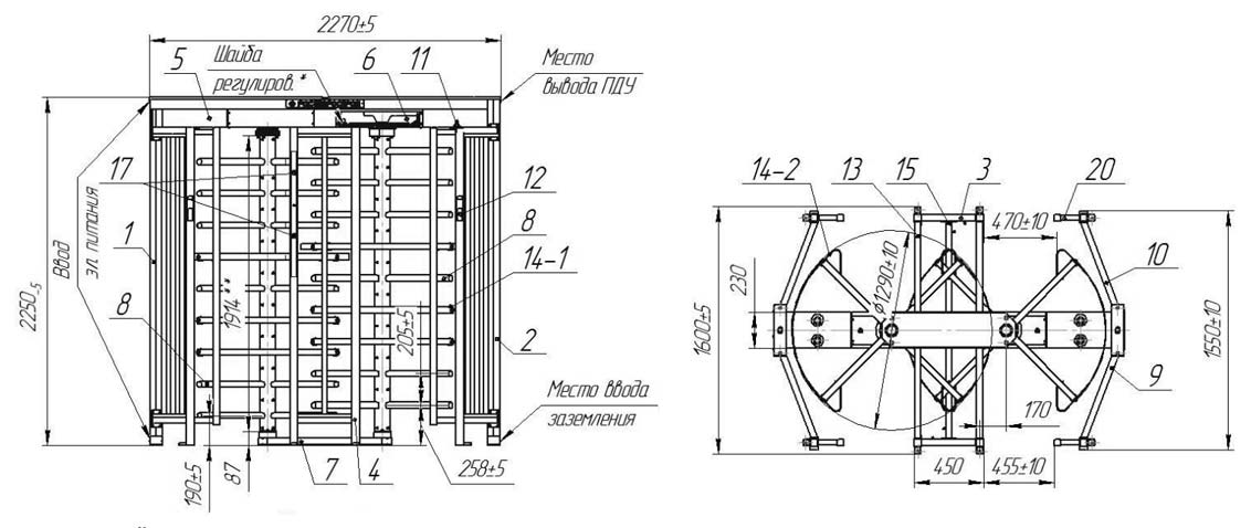
Турникет состоит из следующих частей: две стойки крыла прохода 1и 2, две лицевых решетки 3 и 4 и напольная плита 7, которые крепятся к полу анкерными болтами. К стойкам фронтально крепится рама привода 5. На раме привода в зонах прохода имеются отверстия для установки четырех светильников. На площадки рамы устанавливается механизмы 6. На валах механизмов закреплены эластичные муфты, к фланцам которых крепятся верхние фланцы центральных стоек. Центральная стойка состоит из четырех лопастей 8, которые скручиваются между собой и крепятся к верхнему и нижнему фланцам. Нижние фланцы закреплены на валах напольной плиты 7. К боковым поверхностям стойки крыла прохода 1 и 2 крепятся ограждения 9 и 10. В стойки ограждений вмонтированы световые индикаторы 12, необходимые для индикации разрешения (зеленый свет) или запрета (красный свет) прохода.

Через отверстия в верхней части стоек крыла прохода и рамы привода к турникету подключаются пульты дистанционного управления (ПДУ). На раме привода турникета установлены плафоны освещения прохода 11 напряжением 12В. Включение и выключение освещения прохода производится с ПДУ нажатием и удержанием нажатой более 5 секунд средней кнопки. Для исключения возможного несанкционированного проникновения внутрь в верхней части турникета устанавливается стяжка 15 с креплением к верхним поперечинам лицевых решеток.
Для более четкого ориентирования напольной плиты 7 служат нижние стяжки 13 с креплением к вертикальным стойкам лицевых решеток.
В режиме шлюза проход осуществляется в два этапа по схеме, показанной в Приложении 1.1. Сначала человек после получения первого разрешения проходит в шлюз, а затем, после получения второго разрешения, выходит из шлюза. Для того, чтобы одновременно с проходящим по пропуску человеком не мог пройти человек без пропуска используются съемные преграждающие дуги шлюза 14. Стандартно в шлюзе установлены 12 дуг 14 (см. Прил.1) – короткие дуги 14-1 в третьем и четвертом рядах снизу, а длинные дуги 14-2– в 6 ряду снизу; по желанию заказчика количество дуг 14-1 может быть увеличено.

В режиме турникета проход осуществляется по схеме, показанной в Приложении 1.2. Для этого нужно, во-первых, снять дуги шлюза 14 и, во-вторых, отсоединить ограничитель прохода 20 (трубу с удлинителем) от стойки бокового ограждения и установить ее на стойку лицевой решетки, для чего в турникете предусмотрены крепежные отверстия. Необходимо также открутив 4 винта крепления центральной стойки к верхнему фланцу, повернуть центральную стойку на 45° в любую сторону и снова закрепить. Таким образом можно менять режим прохода из шлюза в турникет и обратно как на одном проходе (переставляются два ограничителя прохода 20), так и на двух проходах (переставляются четыре ограничителя прохода).
Турникет дистанционно открывается для прохода как одного человека, так и группы людей в заданном направлении в течение любого промежутка времени. Для удобства управления от ПДУ в блоке электронного управления (БЭУ) предусмотрена функция задержки времени на проход через турникет с принудительным досрочным сбросом по факту прохода.
Механизмы турникета имеет вертикальную ось вращения четырех лопастей штанг, движущихся в пределах ширины прохода. Вращение лопастей блокируется электромагнитным приводом. При подаче команды на разрешение прохода (охранником с ПДУ или автоматически от СКУД в случае, если Потребитель ее установил) механизм разблокируется для прохода одного человека или группы людей (в зависимости от выбранного режима).
При выключении питания турникет становится постоянно открытым. Запирание турникета при отсутствии напряжения производится поворотом ключа в замке, расположенном в раме привода.

Режим тревоги
Турникет переходит в режим тревоги в следующих случаях:
- несанкционированное движение из исходного положения;
- движение в запрещённом направлении (навстречу разрешённому направлению);
При переходе турникета в режим тревоги включаются:
- стопорный механизм;
- звуковая сигнализация;
- световые индикаторы светятся красным цветом.
Режим тревоги может быть снят как с помощью ПДУ, так и автоматически в следующих случаях:
- при возобновлении движения механизма турникета в разрешённом направлении;
- если механизм турникета установлен в исходное положение, при этом турникет переходит в режим ожидания;
- одновременно нажаты и удерживаются кнопки «КН.1» и «КН.2» ПДУ, при этом оба световых индикатора светятся красным цветом, а звуковая сигнализация отключается. При снятии режима тревоги с ПДУ происходит отключение стопорного механизма, что позволяет поворачивать механизм в любом направлении до следующего исходного положения. В этом случае возможно перемещение механизма на 90º, при котором сигнал для СКУД о факте прохода не выдается.
Звуковое устройство (зуммер) можно отключать и включать троекратным нажатием кнопки «КН.ДОП» на ПДУ.
Режим срабатывания пожарного шлейфа
Пожарный шлейф можно подключить к клеммам обозначенным «GND» и «Вх2» модуля IB v1.1Б предварительно убрав перемычку. При срабатывании пожарного шлейфа (разрыв цепи) происходит разблокировка турникета в обе стороны с индикацией зеленым цветом. Функция антивозврата отключена. Выход из режима осуществляется восстановлением шлейфа и нажатием любой клавиши направления прохода.
Режим калибровки
Режим предназначен для установки исходного (нулевого) положения штанг; это может потребоваться, например, при замене датчика углового положения штанг. Для перевода турникета в режим калибровки необходимо снять крышку БЭУ, который находится наверху на плите механизма, и нажать кнопку включения режима калибровки (кнопка расположена на шасси БЭУ рядом с модулем BM v3.0). При включении режима калибровки раздается прерывистый звуковой сигнал, и мигает индикатор прохода одного из направлений (другой проход горит красным).
По мигающему зеленым цветом сигналу индикатора ПДУ необходимо повернуть лопасть турникета согласно этому направлению (придерживать, возвращать штангу в обратном направлении не допускается). Дождаться мигающего зеленым цветом сигнала индикатора и повторить поворот лопасти как описано выше, затем сделать это третий раз. По завершению процесса калибровки прекращается подача звукового сигнала, и турникет переходит в режим ожидания.
Экстренные ситуации
В случаях пожара, сигнала тревоги, проноса крупногабаритных грузов и т.д. обеспечение свободного прохода в турникетах осуществляется следующими способами:
а) переводом турникета в режим группового прохода;
б) выключением турникета (прекращением подачи напряжения); турникет при этом автоматически разблокируется;
Механизм антивозврата (antipassback)
В турникете реализован запрет возврата проходящего человека после поступления в СКУД сигнала о факте прохода, который подается примерно на середине прохода через турникет. При этом блокируется возможность поворота штанг в обратном направлении, так что проходящий человек может продолжить проход только в начатом разрешенном направлении.
Функцию антивозврата можно отключить установкой перемычки между клеммами «GND» и «Вх1» модуля «IB v1.1».
ВНИМАНИЕ! При отключении функции антивозврата производитель не гарантирует достоверность регистрации факта прохода через турникет, так как имеется возможность вернуться после фиксации его системой СКУД.
Пульт дистанционного управления
По условиям применения ПДУ предназначен для эксплуатации внутри помещения при температуре от +1°С до +50°С.
• Напряжение питания постоянного тока, В 122
• Потребляемый ток, мА, не более 30
• Ресурс клавиатуры, циклов/контакт, не менее 1 000 000
Требования безопасности
Электрические схемы турникета и ПДУ изолированы от корпуса. При этом на них подается напряжение не выше 12В постоянного тока.
Корпус турникета необходимо заземлять. На боковой секции внизу имеется основная клемма (М8) заземления 15; дополнительная клемма заземления (М6) находится на раме 5 турникета.
Запрещается вскрывать кожух механизма турникета без предварительного отключения от сети.
При эксплуатации турникета необходимо соблюдать общие правила электробезопасности при пользовании электрическими приборами.
Подготовка к работе и порядок установки
Турникет рекомендуется устанавливать на горизонтальный бетонный фундамент размером 2400х1700 мм. Толщина фундамента не менее 100 мм. Допускается вместо сплошного фундамента уснавливать в местах крепления бетонные столбики сечением 200х200 и глубиной не менее 300 мм.
Распакуйте турникет, проверьте его комплектность.
Установите турникет в следующей последовательности:
1. Сборка турникета.
– рекомендуем сначала установить механизмы 6 на опорные площадки внутри рамы 5 и закрепить болтами М10;
– положите на пол на боковую плоскость раму привода 5, (предварительно постелив лист картона), рядом аналогично положите две стойки крыла прохода 1 и 2 ; состыкуйте указанные элементы друг с другом присоединительными элементами и закрутите по три болта М12 с каждой стороны; поставьте собранный портал вертикально на месте установки турникета; закрепите к раме 5 в средней части верхнюю стяжку 15 двумя винтами М8.

2. Установка ограждения:
– к фланцам верхней стяжки 15 «зеркально» установите лицевые решетки 3 и 4 и закрепите винтами М8 не затягивая их;
– положите на пол (примерно в центре турникета) напольную плиту 7;
– установите горизонтальные трубки 17 (8 шт.) ограждения в гнезда вертикальных направляющих лицевых решеток 3 и 4;
– к вертикальным стойкам лицевых решеток с внутренней стороны установите нижние стяжки 13 и закрепите винтами М8 к решеткам и к плоскости напольной плиты 7 ;
– к боковым плоскостям стойки крыла прохода 1 и 2 установите ограждения 9 и 10 (предварительно заведите в отверстия стойки крыла прохода провода световых индикаторов 12, кабели заземления) и закрепите винтами М8;
– закрепите элементы конструкции между собой и к полу фундаментными болтами (лицевые решетки крепить к полу после установки горизонтальных трубок 17 ограждения);
3. Сборка центральной стойки :
– установите на диск муфты привода 6 верхний фланец центральной стойки и закрепите винтами М10х16; нижний фланец прикрепить к фланцу вала напольной плиты 7 винтами М8х16;
– в первую очередь установите на посадочные плоскости фланцев лопасть с внутренними кронштейнами и закрепите винтами М8 (не затягивая их), положение "верх" указано маркировкой;
– аналогично установите остальные лопасти, затяните винты;
– проверьте легкость вращения центральной стойки, при необходимости подложите шайбы под плиту привода; проверьте визуально (с помощью отвеса и уровня) положение стоек крыла прохода;
– установите на специальные штанги (с внутренними резьбовыми втулками на 3,4 и 6 уровнях) центральных стоек декоративные крышки и преграждающие дуги 14,закрепите их спецболтами М16х1,5.
– установите ограничители ширины прохода 20 (для режима шлюза – на боковых ограждениях 9 и 10, для режима турникета – на лицевых решетках 3 и 4) крепление ограничителей ширины прохода производится с помощью винтов М12х40.
4. Электромонтаж турникета:
– выполнить монтаж заземления турникета;
– выполнить подключение световых индикаторов к БЭУ турникета;
– выполнить установку и подключение плафонов освещения;
– выполнить подключение ПДУ к БЭУ турникета,
5. Окончательная сборка:
– окончательно затяните все крепежные элементы;
– установите на место крышки 16 (выполнить после подключения турникета и проведения режима калибровки) и закрепите винтами М4.
Правила эксплуатации и режимы работы
Перед включением турникета необходимо путем визуального осмотра проверить состояние кабелей и включить блок питания.
После включения питания начальное состояние турникета – «Закрыто». При этом индикатор направления движения светится красным светом.
Режимы работы турникетов от ПДУ указаны в таблице.

При эксплуатации не допускается:
– использование абразивных и химически активных веществ (в том числе ацетона, бензина, растворителей, хлорсодержащих и кислотосодержащих моющих веществ) для очистки наружных поверхностей турникета; для ухода за турникетом рекомендуется периодически протирать наружные поверхности деталей из стали с хромовым покрытием и нержавеющей стали чистящим средством для хрома, а окрашенные поверхности – нейтральными или слабощелочными моющими средствами;
– перемещение через зону прохода турникета предметов, превышающих ширину проема прохода;
– рывки и удары по преграждающим штангам, стойке турникета и индикаторам, так как возможно их механическое повреждение и деформация, а также возможен преждевременный выход из строя механизма турникета.
Рекомендации по электромонтажу:
– не рекомендуется установка изделия на расстоянии менее 1 метра от мощных источников электрических помех;
– пересечение всех сигнальных кабелей кабелями других силовых установок допускается только под прямым углом. Монтаж изделия должен выполняться сертифицированным персоналом
Рекомендуется раз в год смазывать смазкой типа «Литол» ось и зацепы пружины коромысла механизма.
Внимание: запрещается смазывать сердечник электромагнита и запорный палец (только продувание и сухая чистка).
Монтаж изделия должен выполняться сертифицированным персоналом.
Бренд турникета | Ростов-Дон |
Вид турникета | Турникет |
Тип турникета | Полноростовой |
Тип корпуса турникета | Двухпроходной, Напольный |
Тип привода турникета | Роторный |
Исполнение турникета | Для помещений |
Материал корпуса турникета | Окрашенная сталь |
Преграждающие планки/створки | Стандартные, в комплекте |
Тип блокировки | Нормально открытый (НО) |
Встроенный картоприемник | Нет |
Встроенные считыватели | Без считывателей |
Пропускная способность | 60 чел/мин |
Пульт управления | 2 шт. в комплекте |
Напряжение питания | 12 В |
Источник питания | В комплект НЕ ВХОДИТ! (приобретается отдельно) |
Потребляемая мощность, макс. | 84 Вт |
Потребляемый ток, макс. | 7 А |
Габариты | 2270х1600х2250 мм |
Ширина перекрываемого прохода | 2270 мм |
Ширина прохода | 455 мм |
Высота прохода | 2050 мм |
Вес, кг | 441 |
Рабочая температура | от +1°C до +50°C |
Наработка на отказ, не менее | 2 млн. циклов |
Средний срок службы | Не менее 10 лет |
Стыковка со СКУД | Любые типы СКУД |
Сертификаты | Транспортной безопасности |
Гарантия | 2 года |
Страна производства | Россия |
Функция «Быстрый заказ» позволяет покупателю не проходить всю процедуру оформления заказа самостоятельно. Вы заполняете форму, и через короткое время вам перезвонит менеджер магазина. Он уточнит все условия заказа, ответит на вопросы, касающиеся качества товара, его особенностей. А также подскажет о вариантах оплаты и доставки.
По результатам звонка, пользователь либо, получив уточнения, самостоятельно оформляет заказ, укомплектовав его необходимыми позициями, либо соглашается на оформление в том виде, в котором есть сейчас. Получает подтверждение на почту или на мобильный телефон и ждёт доставки.
Оформление заказа в стандартном режиме
Если вы уверены в выборе, то можете самостоятельно оформить заказ, заполнив по этапам всю форму.
Заполнение адреса
Выберите из списка название вашего региона и населённого пункта. Если вы не нашли свой населённый пункт в списке, выберите значение «Другое местоположение» и впишите название своего населённого пункта в графу «Город». Введите правильный индекс.
Доставка
В зависимости от места жительства вам предложат варианты доставки. Выберите любой удобный способ. Подробнее об условиях доставки читайте в разделе «Доставка».
Оплата
Выберите оптимальный способ оплаты. Подробнее о всех вариантах читайте в разделе «Оплата»
Покупатель
Введите данные о себе: ФИО, адрес доставки, номер телефона. В поле «Комментарии к заказу» введите сведения, которые могут пригодиться курьеру, например: подъезды в доме считаются справа налево.
Оформление заказа
Проверьте правильность ввода информации: позиции заказа, выбор местоположения, данные о покупателе. Нажмите кнопку «Оформить заказ».
Наш сервис запоминает данные о пользователе, информацию о заказе и в следующий раз предложит вам повторить к вводу данные предыдущего заказа. Если условия вам не подходят, выбирайте другие варианты.
Если Вы хотите узнать об условиях доставки и оплаты, но не желаете о них читать, то Вы можете позвонить любому нашему сотруднику, и он обязательно Вам поможет.
Покупка за безналичный расчет
При оплате за безналичный расчет наш сотрудник свяжется с Вами, чтобы подтвердить заказ и уточнить сроки и адрес доставки. После оформления заказа сотрудник нашей компании вышлет вам счет, по которому необходимо будет произвести оплату.
После оплаты заказа к Вам приедет наш курьер, который доставит ваш заказ.
Самостоятельно забрать заказ из пунктов самовывоза Вы можете после его оплаты по безналичному расчету. Оплата доставки до пунктов выдачи транспортных компаний производится по тарифам выбранной Вами транспортной компании непосредственно в месте получения заказа.
Самовывоз из офиса нашей компании в Зеленограде, так же возможен после предоплаты по безналичному расчету, и предварительной договоренности с менеджером.
Интернет-магазин выполняет доставку любого товара своей собственной Службой доставки.
Стоимость доставки курьером
Стоимость доставки по Москве, Все товары —750 руб., бесплатная доставка от 25000 руб
Стоимость доставки по Московской области рассчитывается для каждого заказа индивидуально и зависит от суммарного веса товаров заказа и удаленности адреса доставки.
Время доставки
Время доставки согласовывается с менеджером Службы доставки, который обязательно свяжется с вами сразу после того, как вы разместите свой заказ.
Для осуществления доставки в регионы России мы пользуемся услугами компаний СДЭК, ЖелДорЭкспедиция, Автотрейдинг, Деловые Линии. В таком случае, указанными кампаниями взимается стоимость доставки по их внутренним тарифам с заказчика при получении товара.
Самовывоз
Забрать товар самостоятельно и абсолютно бесплатно можно только по адресу: Москва, Зеленоград, Панфиловский проспект, дом 10.
Забрать товар самовывозом можно по любому из адресов самовывоза указанных здесь, стоимость доставки до пункта самовывоза рассчитывается для каждого заказа по тарифам транспортных компаний.





